联系热线





| 技术参数 | 阀体参数 | |
| 气缸形式 双作用、单作用 | 公称压力 CLASS150、300、400 | |
| 环境温度 -20℃~+80℃ | 连接方式 法兰式GB(特选JB、ANSI、JIS) | |
| 气源压力 双作用4~8bar,单作用5~8bar | 阀体材质 WCB、SS304、SS316、SS316L | |
| 球芯材质 SS、SS304、SS316、SS316L | ||
| 功能选项 | 密封材料 PTFE、PPL(特选:石墨、硬密封) | |
| 防 爆 型 防爆等级:dIIBT4 | 工作温度 | C3:-30℃~150℃ |
| 信号反馈 X1机械无源信号,X2有源信号 | C6:-30℃~250℃ | |
| 手动功能 气动阀可选手轮、手动开阀、关阀功能 | C7:-30℃~350℃ | |
| 调 节 型 输入4-20mA信号,实现球阀调节功能 | C8:-40℃~450℃ | |
| 标准规范 | 附件选项 | |
| 设计标准 API609 | 回 讯 器 也叫限位开关,远程反馈开关信号 | |
| 结构长度 ANSI B16.10 | 电 磁 阀 双作用选两位五通,单作用选两位三通 | |
| 法兰连接 ANSI B16.10 | 三 联 件 可对气源稳压、过滤、气缸加润滑油 | |
| 法兰连接尺寸 ANSI B16.5(2~24'')ANSI B16.47(26~32'') | 手轮机构 转动手轮机构,可实现手动开、关阀 | |
| 检测与实验 GB/T13927-1992 | 电器定位器 输入4-20mA信号,实现球阀调节功能 | |
| 备 注 气缸参数请另参考所选配的气动执行器资料 | ||

| 零件结构材质表 | |||||
| 材质 | |||||
| 序号 | 零件名称 | C | P | R | |
| 1 | 左右阀体 | A216-WCB | A351-CF8 | A351-CF8M | |
| 2 | 螺栓 | A193-B7 | A276-304 | A276-316 | |
| 3 | 螺母 | A194-2H | A276-304 | A276-316 | |
| 4 | 弹簧 | YB/T510460Si2Mo | YBD(T)111Cr18Ni9 | YBD(T)110Cr18Ni12Mo2 | |
| 5 | 阀座 | A182-A105 | A276-304 | A276-316 | |
| 6 | 密封圈 | PTFE、尼龙、对位聚苯、硬质合金 | |||
| 7 | O型圈 | 橡胶、氟橡胶 | |||
| 8 | 垫片 | PTFE、石墨金属复合垫 | |||
| 9 | 法兰 | A216-WCB | A351-CF8 | A351-CF8M | |
| 10 | 垫片 | A216-304 | A276-304 | A276-316 | |
| 11 | 下阀杆 | A216-410 | A276-304 | A276-316 | |
| 12 | 衬套 | PTFE复合轴承 | |||
| 13 | 球体 | A182-F304 | A182-F304 | A182-F316 | |
| 14 | 键 | AISI-C1045 | A276-304 | A276-316 | |
| 15 | 阀杆 | A276-410 | A276-304 | A276-316 | |
| 16 | 衬套 | PTFE复合轴承 | |||
| 17 | 填料 | PTFE、柔性石墨 | |||
| 18 | 填表料压盖 | A216-WCB | A276-304 | A276-316 | |
| 19 | 连接套 | A182-A105 | A276-304 | A276-304 | |
| 20 | 支架 | A216-WCB | A276-304 | A276-304 | |
| 21 | 阀体 | A216-WCB | A351-304 | A351-CF8 | |
| 22 | 气动执行器 | LDP系列、LDSK系列、AW系列 | |||

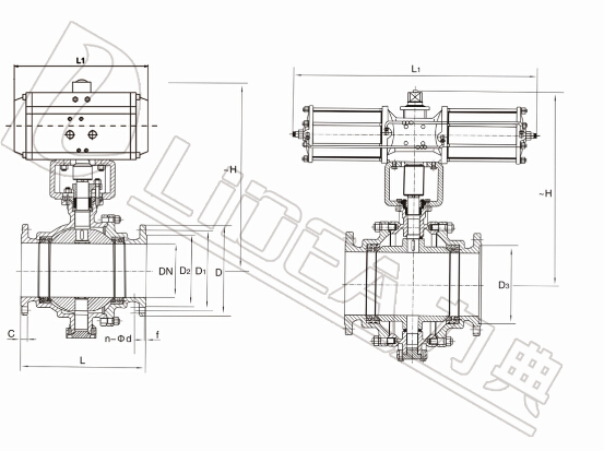
| 主要外形连接尺寸Q641F(N、P、H、Y)-Class150 | ||||||||||||
| 型号 | DN | in | L | L1 | ~H | D | D1 | D2 | C | F | n-Φd | 执行器型号 |
| LDBAAAP50 | 50 | 2 | 178 | 248/269 | 320/345 | 152 | 120.6 | 92 | 15.8 | 1.6 | 4-Φ19 | LD083P/LD105SK |
| LDBAAAP65 | 65 | 21/2 | 190 | 248/269 | 365/390 | 178 | 139.7 | 105 | 17.6 | 1.6 | 4-Φ19 | LD105P/LD125SK |
| LDBAAAP80 | 80 | 3 | 203 | 269/345 | 403/425 | 190 | 152.4 | 127 | 19.1 | 1.6 | 8-Φ19 | LD105P/LD125SK |
| LDBAAAP100 | 100 | 4 | 229 | 345/438 | 475/532 | 229 | 190.5 | 157 | 23.9 | 1.6 | 8-Φ19 | LD125P/LD160SK |
| LDBAAAP125 | 125 | 5 | 356 | 409/550 | 539/627 | 254 | 216 | 186 | 23.9 | 1.6 | 8-Φ22 | LD160P/LD190SK |
| LDBAAAP150 | 150 | 6 | 394 | 438/600 | 574/652 | 279 | 241.3 | 216 | 25.4 | 1.6 | 8-Φ22 | LD190P/LD210SK |
| LDBAAAP200 | 200 | 8 | 457 | 600/633 | 693/728 | 343 | 298.5 | 270 | 28.6 | 1.6 | 8-Φ22 | LD210P/LD240SK |
| LDBAAAP250 | 250 | 10 | 533 | 633/730 | 762/792 | 406 | 362 | 324 | 30.2 | 1.6 | 12-Φ25 | LD240P/LD270SK |
| LDBAAAP300 | 300 | 12 | 610 | 1180 | 820 | 483 | 432 | 381 | 31.8 | 1.6 | 12-Φ25 | AW20/AW25S |
| LDBAAAP350 | 350 | 14 | 686 | 1180 | 923 | 533 | 476 | 413 | 35 | 1.6 | 12-Φ29 | AW20/AW28S |
| LDBAAAP400 | 400 | 16 | 762 | 1320 | 979 | 597 | 539.5 | 470 | 36.6 | 1.6 | 16-Φ29 | AW28/AW35S |
| LDBAAAP500 | 500 | 20 | 914 | 1430 | 1079 | 699 | 635 | 584 | 42.9 | 1.6 | 20-Φ32 | AW35/AW40S |
| 主要外形连接尺寸Q641F(N、P、H、Y)-Class300 | ||||||||||||
| 型号 | DN | in | L | L1 | ~H | D | D1 | D2 | C | F | n-Φd | 执行器型号 |
| LDBAAAP50 | 50 | 2 | 216 | 248/345 | 336/373 | 165 | 127 | 92 | 22.3 | 1.6 | 8-Φ19 | LD083P/LD105SK |
| LDBAAAP65 | 65 | 21/2 | 241 | 269/409 | 395/449 | 190 | 149.2 | 105 | 25.4 | 1.6 | 8-Φ22 | LD105P/LD140SK |
| LDBAAAP80 | 80 | 3 | 283 | 315/438 | 435/477 | 210 | 168.3 | 127 | 28.6 | 1.6 | 8-Φ22 | LD125P/LD160SK |
| LDBAAAP100 | 100 | 4 | 305 | 409/550 | 504/572 | 254 | 200 | 157 | 31.8 | 1.6 | 8-Φ22 | LD140P/LD190SK |
| LDBAAAP125 | 125 | 5 | 381 | 438/600 | 566/634 | 279 | 234.9 | 186 | 35 | 1.6 | 8-Φ22 | LD160P/LD210SK |
| LDBAAAP150 | 150 | 6 | 403 | 550/633 | 649/709 | 318 | 269.9 | 216 | 36.6 | 1.6 | 12-Φ22 | LD190P/LD240SK |
| LDBAAAP200 | 200 | 8 | 502 | 600/633 | 715/750 | 381 | 330.2 | 270 | 41.3 | 1.6 | 12-Φ25 | LD210P/LD240SK |
| LDBAAAP250 | 250 | 10 | 568 | 633/730 | 782/812 | 444 | 387.5 | 324 | 47.7 | 1.6 | 12-Φ29 | LD240P/LD270SK |
| LDBAAAP300 | 300 | 12 | 648 | 1162 | 839 | 521 | 451 | 381 | 50.8 | 1.6 | 12-Φ32 | AW20/AW25S |
| LDBAAAP350 | 350 | 14 | 762 | 1380 | 984 | 584 | 514.5 | 413 | 54 | 1.6 | 20-Φ32 | AW20/AW28S |
| LDBAAAP400 | 400 | 16 | 838 | 1860 | 1004 | 648 | 571.5 | 470 | 57 | 1.6 | 20-Φ35 | AW28/AW35S |
| LDBAAAP500 | 500 | 20 | 991 | 1860 | 1118 | 775 | 686 | 584 | 63.5 | 1.6 | 24-Φ35 | AW35/AW40S |
| 主要外形连接尺寸Q641F(N、P、H、Y)-Class400 | ||||||||||||
| 型号 | DN | in | L | L1 | ~H | D | D1 | D2 | C | F | n-Φd | 执行器型号 |
| LDBAAAP50 | 50 | 2 | 292 | 269/409 | 336/373 | 165 | 127 | 92 | 25.4 | 6.4 | 8-Φ19 | LD083P/LD125SK |
| LDBAAAP65 | 65 | 21/2 | 330 | 345/438 | 432/474 | 190 | 149.2 | 105 | 28.6 | 6.4 | 8-Φ22 | LD105P/LD125SK |
| LDBAAAP80 | 80 | 3 | 356 | 345/409 | 507/575 | 210 | 168.3 | 127 | 31.8 | 6.4 | 8-Φ22 | LD105P/LD140SK |
| LDBAAAP100 | 100 | 4 | 406 | 409/550 | 572/640 | 254 | 200 | 157 | 35 | 6.4 | 8-Φ26 | LD140P/LD160SK |
| LDBAAAP125 | 125 | 5 | 457 | 438/600 | 644/704 | 279 | 234.9 | 186 | 38.2 | 6.4 | 8-Φ26 | LD160P/LD190SK |
| LDBAAAP150 | 150 | 6 | 495 | 550/633 | 721/751 | 318 | 269.9 | 216 | 41.3 | 6.4 | 12-Φ26 | LD190P/LD210SK |
| LDBAAAP200 | 200 | 8 | 597 | 633/730 | 787/817 | 381 | 330.2 | 270 | 47.6 | 6.4 | 12-Φ29 | LD210P/LD270SK |
| LDBAAAP250 | 250 | 10 | 673 | 1180 | 801 | 444 | 387.3 | 324 | 54 | 6.4 | 16-Φ32 | LD270P/LD255SK |
| LDBAAAP300 | 300 | 12 | 762 | 1180 | 916 | 521 | 450.8 | 381 | 57.5 | 6.4 | 16-Φ35 | AW25/AW28S |
| LDBAAAP350 | 350 | 14 | 826 | 1320 | 973 | 584 | 514.3 | 413 | 60.5 | 6.4 | 20-Φ35 | AW25/AW35S |
| LDBAAAP400 | 400 | 16 | 902 | 1430 | 1055 | 648 | 571.5 | 570 | 63.5 | 6.4 | 20-Φ39 | AW35/AW40S |
| LDBAAAP500 | 500 | 20 | 1054 | 1950 | 1228 | 775 | 685.8 | 584 | 70 | 6.4 | 20-Φ42 | AW40 |
备注:
球阀结构长度及连接法兰尺寸根据JB/T79标准或用户要求设计制作。
执行器型号***/***分别是气动执行器双作用式/单作用式(弹簧复位)。
根据不同阀门扭矩、使用介质适配的执行器型号可能有所不同,相关尺寸随之变化。
以上执行器配置及数据均采用软密封(F、N、P)阀门,硬密封阀门的配置及数据请咨询本公司。