联系热线





| 技术参数 | 阀体参数 | |
| 气缸形式 双作用、单作用 | 公称压力 PN16、PN25、PN40 | |
| 环境温度 -20℃~+80℃ | 连接方式 法兰式GB(特选JB、ANSI、JIS) | |
| 气源压力 双作用4~8bar,单作用5~8bar | 阀体材质 WCB、SS304、SS316、SS316L | |
| 球芯材质 SS、SS304、SS316、SS316L | ||
| 功能选项 | 密封材料 PTFE、PPL | |
| 防 爆 型 防爆等级:dIIBT4 | 工作温度 | |
| 信号反馈 X1机械无源信号,X2有源信号 | C3:-30℃~150℃ | |
| 手动功能 气动阀可选手轮、手动开阀、关阀功能 | C6:-30℃~250℃ | |
| 调 节 型 输入4-20mA信号,实现球阀调节功能 | 应用范围 水、油、气及某些腐蚀性液体 | |
| 附件选项 | ||
| 标准规范 | 回 讯 器 也叫限位开关,远程反馈开关信号 | |
| 设计标准 GB/12237 | 电 磁 阀 双作用选两位五通,单作用选两位三通 | |
| 结构长度 QVQB | 三 联 件 可对气源稳压、过滤、气缸加润滑油 | |
| 法兰标准 JB79 | 手轮机构 转动手轮机构,可实现手动开、关阀 | |
| 法兰连接尺寸 GB/9113、JB/T79 | 电器定位器 输入4-20mA信号,实现球阀调节功能 | |
| 检测与实验 GB/T139627-1992 | 备 注 气缸参数请另参考所选配的气动执行器资料 | |

| 零件结构材质表 | |||||
| 材质 | |||||
| 序号 | 零件名称 | C | P | R | |
| 1 | 阀盖 | WCB | ZG1Cr18Ni9Ti | ZG1Cr18Ni12Mo2Ti | |
| 2 | 垫片 | PTFE、对位聚苯(PPL) | |||
| 3 | 阀座 | PTFE、尼龙、对位聚苯 | |||
| 4 | 球体 | 1Cr18Ni9Ti | 1Cr18Ni9Ti | 1Cr18Ni9Ti | |
| 5 | 阀座 | PTFE、尼龙、对位聚苯 | |||
| 6 | 阀体 | WCB | ZG1Cr18Ni9Ti | ZG1Cr18Ni12Mo2Ti | |
| 7 | 螺栓 | 35 | 1Cr18Ni9Ti | 1Cr18Ni12Mo2Ti | |
| 8 | 阀杆 | 1Cr13 | 1Cr18Ni9Ti | 1Cr18Ni12Mo2Ti | |
| 9 | 垫片 | 1Cr18Ni9Ti | 1Cr18Ni9Ti | 1Cr18Ni12Mo2Ti | |
| 10 | 填料 | PTFE | |||
| 11 | 衬套 | PTFE、复合轴承 | |||
| 12 | 弹垫 | WCB | ZG1Cr18Ni9Ti | ZG1Cr18Ni12Mo2Ti | |
| 13 | 垫片 | 35 | 1Cr18Ni9Ti | 1Cr18Ni9Ti | |
| 14 | 螺母 | 35 | 1Cr18Ni9Ti | 1Cr18Ni9Ti | |
| 15 | 连接支架 | 1Cr18Ni9Ti | 1Cr18Ni9Ti | 1Cr18Ni9Ti | |
| 16 | 螺栓 | 35 | 1Cr18Ni9Ti | 1Cr18Ni9Ti | |
| 17 | 连接套 | 35 | 1Cr18Ni9Ti | 1Cr18Ni9Ti | |
| 18 | 气动装置 | LDP系列、LDSK系列、LDP系列 | |||
| 19 | 位置指示器 | 塑料 | |||

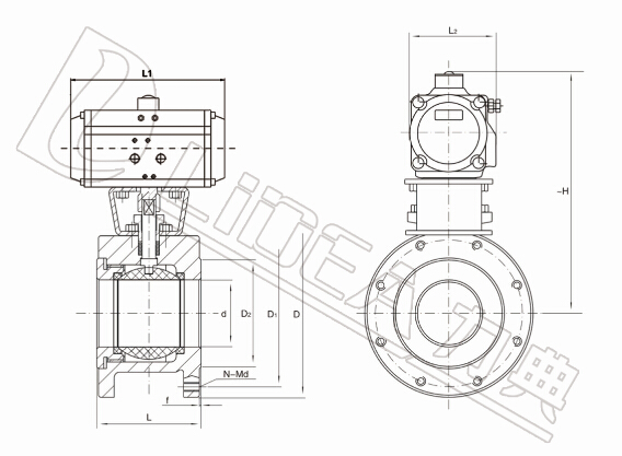
| 主要外形连接尺寸Q672F(N、P)-PN16(1.6MPA)/PN25(2.5MPA) | ||||||||||||
| 型号 | DN | L | L1 | L2 | ~H | D | D1 | D2 | B | F | N-Md | 执行器型号 |
| LDBABP15 | 15 | 32 | 141/159 | 71/83 | 177/208 | 95 | 65 | 46 | 14 | 2 | 4-M12 | LD052P/LD063SK |
| LDBABP20 | 20 | 38.5 | 141/159 | 71/83 | 182/213 | 105 | 75 | 56 | 14 | 2 | 4-M12 | LD052P/LD063SK |
| LDBABP25 | 25 | 45 | 141/211 | 71/95 | 187/230 | 115 | 85 | 65 | 16 | 2 | 4-M12 | LD063P/LD083SK |
| LDBABP32 | 32 | 55 | 159/211 | 83/95 | 223/243 | 140 | 100 | 76 | 16 | 3 | 4-M16 | LD063P/LD105SK |
| LDBABP40 | 40 | 62 | 211/248 | 95/107 | 231/261 | 150 | 110 | 84 | 18 | 3 | 4-M16 | LD083P/LD105SK |
| LDBABP50 | 50 | 72 | 248/269 | 107/123 | 258/293 | 165 | 125 | 99 | 20 | 3 | 4-M16 | LD083P/LD105SK |
| LDBABP65 | 65 | 95 | 248/315 | 107/141 | 273/298 | 185 | 145 | 118 | 22 | 3 | 4-M16 | LD105P/LD125SK |
| LDBABP80 | 80 | 120 | 269/345 | 123/152 | 303/325 | 200 | 160 | 132 | 24 | 3 | 8-M16 | LD105P/LD125SK |
| LDBABP100 | 100 | 145 | 345/409 | 152/172 | 333/390 | 220 | 180 | 156 | 24 | 3 | 8-M16 | LD125P/LD160SK |
| LDBABP125 | 125 | 200 | 409/438 | 172/187 | 380/468 | 250 | 210 | 184 | 26 | 3 | 8-M16 | LD160P/LD190SK |
| LDBABP150 | 150 | 225 | 438/550 | 187/215 | 432/529 | 285 | 240 | 211 | 26 | 3 | 8-M20 | LD190P/LD210SK |
备注:
球阀结构长度及连接法兰尺寸根据JB/T79标准或用户要求设计制作。
执行器型号***/***分别是气动执行器双作用式/单作用式(弹簧复位)。
根据不同阀门扭矩、使用介质适配的执行器型号可能有所不同,相关尺寸随之变化。
以上执行器配置及数据均采用软密封(F、N、P)阀门,硬密封阀门的配置及数据请咨询本公司。