联系热线





| 技术参数 | 阀体参数 | |
| 气缸形式 双作用、单作用 | 公称压力 CLASS150、300、400 | |
| 环境温度 -20℃~+80℃ | 连接方式 法兰式GB(特选JB、ANSI、JIS) | |
| 气源压力 双作用4~8bar,单作用5~8bar | 阀体材质 WCB、SS304、SS316、SS316L | |
| 球芯材质 SS、SS304、SS316、SS316L | ||
| 功能选项 | 密封材料 PTFE、PPL(特选:石墨、硬密封) | |
| 防 爆 型 防爆等级:dIIBT4 | 工作温度 | C3:-30℃~150℃ |
| 信号反馈 X1机械无源信号,X2有源信号 | C6:-30℃~250℃ | |
| 手动功能 气动阀可选手轮、手动开阀、关阀功能 | C7:-30℃~350℃ | |
| 调 节 型 输入4-20mA信号,实现球阀调节功能 | C8:-40℃~450℃ | |
| 标准规范 | 附件选项 | |
| 设计标准 API6D、ANSI B16.34 | 回 讯 器 也叫限位开关,远程反馈开关信号 | |
| 结构长度 API6D、ANSI B16.10 | 电 磁 阀 双作用选两位五通,单作用选两位三通 | |
| 法兰连接 API6D、ANSI B16.10 | 三 联 件 可对气源稳压、过滤、气缸加润滑油 | |
| 连接法兰尺寸 ANSI B16.5 | 手轮机构 转动手轮机构,可实现手动开、关阀 | |
| 实验和检验 API6D、API598 | 电器定位器 输入4-20mA信号,实现球阀调节功能 | |
| 备 注 气缸参数请另参考所选配的气动执行器资料 | ||

| 零件结构材质表 | |||||
| 材质 | |||||
| 序号 | 零件名称 | C | P | R | |
| 1 | 右阀体 | A216-WCB | A351-CF8 | A351-CF8M | |
| 2 | 螺母 | A194-2H | A276-304 | A276-316 | |
| 3 | 垫片 | PTFE、石墨金属复合垫 | |||
| 4 | 螺栓 | A193-B7 | A276-304 | A276-316 | |
| 5 | 阀体 | A216-WCB | A351-CF8 | A351-CF8M | |
| 6 | 阀座 | PTFE、尼龙(Nylon)、对位聚苯(PPL)、硬质合金(Hard Alloy) | |||
| 7 | 球体 | A182-F304 | A182-F304 | A182-F316 | |
| 8 | 阀杆 | A276-410 | A276-304 | A276-316 | |
| 9 | 垫片 | A276-304 | A276-304 | A276-316 | |
| 10 | 填料 | PTFE、柔性石墨 | |||
| 11 | 衬套 | PTFE复合轴承 | |||
| 12 | 压盖 | A216-WCB | A351-CF8 | A351-CF8M | |
| 13 | 螺栓 | A194-2H | A276-304 | A276-304 | |
| 14 | 螺栓 | A194-2H | A276-304 | A276-304 | |
| 15 | 连接支架 | A351-CF8 | A351-CF8 | A351-CF8 | |
| 16 | 螺栓 | A194-2H | A276-304 | A276-304 | |
| 17 | 连接套 | A351-CF8 | A351-CF8 | A351-CF8 | |
| 18 | 气动装置 | LDP系列、LDSK系列、AW系列 | |||
| 19 | 位置指示器 | 塑料 | |||

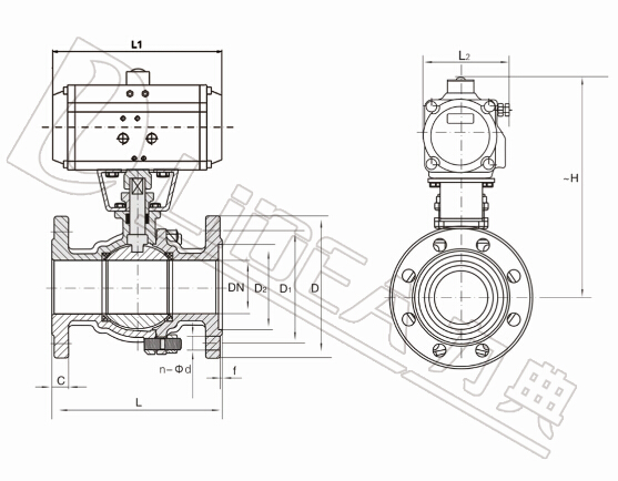
| 主要外形连接尺寸Q641F(N、P、H、Y)-Class150 | |||||||||||||
| 型号 | DN | in | L | L1 | L2 | ~H | D | D1 | D2 | C | F | n-Φd | 执行器型号 |
| LDBAAP15 | 15 | 1/2 | 108 | 141/159 | 71/83 | 204/235 | 89 | 60.5 | 35 | 10 | 1.6 | 4-Φ15 | LD052P/LD063SK |
| LDBAAP20 | 20 | 3/4 | 117 | 141/159 | 71/83 | 209/240 | 99 | 69.9 | 43 | 10.5 | 1.6 | 4-Φ15 | LD052P/LD063SK |
| LDBAAP25 | 25 | 1 | 127 | 159/211 | 83/95 | 214/256 | 108 | 79.2 | 51 | 11.5 | 1.6 | 4-Φ15 | LD063P/LD083SK |
| LDBAAP32 | 32 | 1 1/4 | 140 | 211/248 | 95/107 | 257/277 | 117 | 88.9 | 64 | 13 | 1.6 | 4-Φ15 | LD063P/LD105SK |
| LDBAAP40 | 40 | 1 1/2 | 165 | 248/269 | 107/123 | 274/292 | 127 | 98.6 | 73 | 14.5 | 1.6 | 4-Φ15 | LD083P/LD105SK |
| LDBAAP50 | 50 | 2 | 178 | 248/269 | 107/123 | 290/300 | 152 | 120.7 | 92 | 16 | 1.6 | 4-Φ19 | LD083P/LD105SK |
| LDBAAP65 | 65 | 2 1/2 | 190 | 269/345 | 123/152 | 310/335 | 178 | 139.7 | 105 | 18 | 1.6 | 4-Φ19 | LD105P/LD125SK |
| LDBAAP80 | 80 | 3 | 203 | 269/345 | 123/152 | 346/368 | 191 | 152.47 | 127 | 19.5 | 1.6 | 4-Φ19 | LD105P/LD125SK |
| LDBAAP100 | 100 | 4 | 229 | 345/409 | 152/172 | 378/410 | 229 | 190.5 | 157 | 24 | 1.6 | 8-Φ19 | LD125P/LD160SK |
| LDBAAP125 | 125 | 5 | 356 | 409/438 | 172/187 | 425/450 | 254 | 215.9 | 186 | 24 | 1.6 | 8-Φ22 | LD160P/LD190SK |
| LDBAAP150 | 150 | 6 | 394 | 550/600 | 215/240 | 468/531 | 279 | 241.3 | 216 | 25.5 | 1.6 | 8-Φ22 | LD190P/LD210SK |
| LDBAAP200 | 200 | 8 | 457 | 633/730 | 262/730 | 583/618 | 343 | 298.5 | 270 | 28.5 | 1.6 | 8-Φ22 | LD210P/LD240SK |
| 主要外形连接尺寸Q641F(N、P、H、Y)-Class300 | |||||||||||||
| 型号 | DN | in | L | L1 | L2 | ~H | D | D1 | D2 | C | F | n-Φd | 执行器型号 |
| LDBAAP15 | 15 | 1/2 | 140 | 141/159 | 71/83 | 204/235 | 95 | 65.7 | 35 | 14.5 | 1.6 | 4-Φ16 | LD052P/LD063SK |
| LDBAAP20 | 20 | 3/4 | 152 | 141/159 | 71/83 | 209/240 | 117 | 82.5 | 43 | 15.8 | 1.6 | 4-Φ19 | LD052P/LD063SK |
| LDBAAP25 | 25 | 1 | 165 | 211/248 | 95/107 | 214/265 | 124 | 88.9 | 51 | 17.6 | 1.6 | 4-Φ19 | LD063P/LD083SK |
| LDBAAP32 | 32 | 1 1/4 | 178 | 211/248 | 95/107 | 269/287 | 133 | 98.4 | 64 | 19.1 | 1.6 | 4-Φ19 | LD075P/LD092SK |
| LDBAAP40 | 40 | 1 1/2 | 190 | 248/269 | 107/123 | 282/292 | 155 | 114.3 | 73 | 20.6 | 1.6 | 4-Φ19 | LD083P/LD105SK |
| LDBAAP50 | 50 | 2 | 216 | 269/315 | 123/141 | 290/325 | 165 | 127 | 92 | 22.3 | 1.6 | 8-Φ19 | LD083P/LD105SK |
| LDBAAP65 | 65 | 2 1/2 | 241 | 269/345 | 123/152 | 310/357 | 191 | 149.2 | 105 | 25.4 | 1.6 | 8-Φ22 | LD105P/LD125SK |
| LDBAAP80 | 80 | 3 | 283 | 345/409 | 152/172 | 346/368 | 210 | 168.3 | 127 | 28.6 | 1.6 | 8-Φ22 | LD105P/LD140SK |
| LDBAAP100 | 100 | 4 | 305 | 409/438 | 172/187 | 418/443 | 254 | 200 | 157 | 31.8 | 1.6 | 8-Φ26 | LD125P/LD160SK |
| LDBAAP125 | 125 | 5 | 381 | 438/550 | 187/215 | 460/503 | 279 | 234.9 | 186 | 35 | 1.6 | 8-Φ26 | LD160P/LD190SK |
| LDBAAP150 | 150 | 6 | 403 | 550/600 | 240/262 | 518/563 | 318 | 269.9 | 216 | 36.6 | 1.6 | 12-Φ26 | LD190P/LD210SK |
| LDBAAP200 | 200 | 8 | 502 | 633/730 | 262/330 | 583/618 | 381 | 330.2 | 270 | 41.3 | 1.6 | 12-Φ29 | LD240P/LD270SK |
| 主要外形连接尺寸Q641F(N、P、H、Y)-Class400 | |||||||||||||
| 型号 | DN | in | L | L1 | L2 | ~H | D | D1 | D2 | C | F | n-Φd | 执行器型号 |
| LDBAAP15 | 15 | 1/2 | 165 | 141/211 | 71/95 | 204/235 | 95 | 65.7 | 35 | 14.5 | 6.4 | 4-Φ16 | LD052P/LD063SK |
| LDBAAP20 | 20 | 3/4 | 190 | 159/211 | 83/95 | 240/252 | 117 | 82.5 | 43 | 15.8 | 6.4 | 4-Φ19 | LD063P/LD083SK |
| LDBAAP25 | 25 | 1 | 216 | 211/248 | 95/107 | 257/265 | 124 | 88.9 | 51 | 17.6 | 6.4 | 4-Φ19 | LD075P/LD092SK |
| LDBAAP32 | 32 | 1 1/4 | 229 | 248/269 | 107/123 | 269/287 | 133 | 98.4 | 64 | 20.6 | 6.4 | 4-Φ19 | LD083P/LD105SK |
| LDBAAP40 | 40 | 1 1/2 | 241 | 248/315 | 107/141 | 282/292 | 156 | 114.3 | 73 | 22.3 | 6.4 | 4-Φ19 | LD092P/LD105SK |
| LDBAAP50 | 50 | 2 | 292 | 269/345 | 123/152 | 300/325 | 165 | 127 | 92 | 25.4 | 6.4 | 8-Φ19 | LD105P/LD125SK |
| LDBAAP65 | 65 | 2 1/2 | 330 | 345/438 | 152/187 | 335/357 | 190 | 149.2 | 105 | 28.6 | 6.4 | 8-Φ22 | LD105P/LD140SK |
| LDBAAP80 | 80 | 3 | 356 | 409/438 | 172/187 | 368/400 | 210 | 168.3 | 127 | 31.8 | 6.4 | 8-Φ22 | LD125P/LD160SK |
| LDBAAP100 | 100 | 4 | 406 | 438/550 | 187/215 | 418/506 | 254 | 200 | 157 | 35 | 6.4 | 8-Φ26 | LD160P/LD190SK |
| LDBAAP125 | 125 | 5 | 457 | 550/633 | 215/262 | 445/548 | 279 | 234.9 | 186 | 38.2 | 6.4 | 8-Φ26 | LD190P/LD210SK |
| LDBAAP150 | 150 | 6 | 495 | 633/730 | 262/300 | 563/598 | 318 | 269.9 | 216 | 41.3 | 6.4 | 12-Φ26 | LD240P/LD270SK |
| LDBAAP200 | 200 | 8 | 597 | 730 | 330 | 636/666 | 381 | 330.2 | 270 | 47.6 | 6.4 | 12-Φ29 | LD270P |
备注:
球阀结构长度及连接法兰尺寸根据JB/T79标准或用户要求设计制作。
执行器型号***/***分别是气动执行器双作用式/单作用式(弹簧复位)。
根据不同阀门扭矩、使用介质适配的执行器型号可能有所不同,相关尺寸随之变化。
以上执行器配置及数据均采用软密封(F、N、P)阀门,硬密封阀门的配置及数据请咨询本公司。