联系热线





| 技术参数 | 阀体参数 | |
| 气缸形式 双作用、单作用 | 公称压力 PN16、PN25、PN40、PN64 | |
| 环境温度 -20℃~+80℃ | 连接方式 法兰 | |
| 气源压力 双作用4~8bar,单作用5~8bar | 阀体材质 SS304、SS316、SS316L | |
| 球芯材质 SS304、SS316、SS316L | ||
| 功能选项 | 密封材料 PTFE、PPL(特选:石墨、金属硬密封) | |
| 防 爆 型 防爆等级:dIIBT4 | 工作温度 | C3:-30℃~150℃(S) |
| 信号反馈 X1机械无源信号,X2有源信号 | C6:-30℃~250℃(S) | |
| 手动功能 气动阀可选手轮、手动开阀、关阀功能 | C7:-30℃~350℃(S) | |
| 调 节 型 输入4-20mA信号,实现球阀调节功能 | ||
| 附件选项 | ||
| 标准规范 | 回 讯 器 也叫限位开关,远程反馈开关信号 | |
| 设计依据 GB标准 ANSI标准 | 电 磁 阀 双作用选两位五通,单作用选两位三通 | |
| 结构长度 GB/T13927-1992 GB/T13927-1992 | 三 联 件 可对气源稳压、过滤、气缸加润滑油 | |
| 设计标准 GB/12237 ANSI B16.34 | 手轮机构 转动手轮机构,可实现手动开、关阀 | |
| 法兰连接尺寸 GB/9113、JB/T79 ANSI B16.5 | 电器定位器 输入4-20mA信号,实现球阀调节功能 | |
| 实验和检验 JB/T9002 API598 | 备 注 气缸参数请另参考所选配的气动执行器资料 | |

| 零件结构材质表 | ||
| 序号 | 零件名称 | 材质 |
| 1 | 阀体 | WCB、CF8、CF8M、CF3、CF3M |
| 2 | 阀芯 | CF8、CF8M+镀硬铬或超音速喷涂 |
| 3 | 后阀杆 | 17-4PH、SS316 |
| 4 | 圆柱销 | SS304、SS316 |
| 5 | 前阀杆 | 17-4PH、SS316 |
| 6 | 花键 | 17-4PH、SS316 |
| 7 | 平键 | SS304、45# |
| 8 | 后压盖 | CF8、CF8M |
| 9 | O型圈 | 氟橡胶 |
| 10 | 调整垫 | PTFE |
| 11 | 自润滑轴承 | 复合材料 |
| 12 | 自润滑轴承 | 复合材料 |
| 13 | 填料 | PTFE |
| 14 | 填料压盖 | CF8 |
| 15 | O型圈 | 氟橡胶 |
| 16 | 密封座 | SS304、SS316+镀硬铬或超音速喷涂 |
| 17 | 密封座弹簧 | SS316 |
| 18 | 密封座盖 | Q235、SS304、SS316 |
| 19 | 内六角螺钉 | SS304 |
| 20 | 六角螺钉 | SS304 |
| 21 | 双头螺钉 | SS304 |
| 22 | 六角螺母 | SS304 |

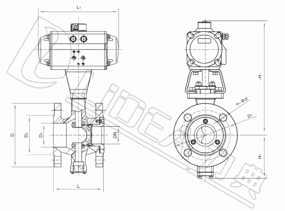
| 主要外形及连接法兰尺寸Q640F(P、H、Y)-PN16(1.6MPA) | |||||||||||||
| 型号 | DN | L | L1 | ~H | H1 | D | D1 | D2 | D3 | C | F | n-Φd | 执行器型号 |
| LDBAA4VP25 | 25 | 102 | 159/248 | 260/290 | 87 | 115 | 85 | 65 | 38 | 16 | 2 | 4-Φ14 | LD063P/LD083SK |
| LDBAA4VP32 | 32 | 105 | 159/248 | 267/297 | 87 | 140 | 100 | 76 | 42 | 18 | 3 | 4-Φ18 | LD063P/LD083SK |
| LDBAA4VP40 | 40 | 114 | 211/269 | 292/312 | 87 | 150 | 110 | 84 | 50 | 18 | 3 | 4-Φ18 | LD075P/LD105SK |
| LDBAA4VP50 | 50 | 124 | 248/269 | 292/312 | 97 | 165 | 125 | 99 | 60 | 20 | 3 | 4-Φ18 | LD083P/LD105SK |
| LDBAA4VP65 | 65 | 145 | 269/315 | 327/340 | 112 | 185 | 145 | 118 | 75 | 20 | 3 | 4-Φ18 | LD105P/LD125SK |
| LDBAA4VP80 | 80 | 165 | 315/345 | 359/381 | 112 | 200 | 160 | 132 | 94 | 20 | 3 | 8-Φ18 | LD125P/LD140SK |
| LDBAA4VP100 | 100 | 194 | 345/409 | 395/412 | 122 | 220 | 180 | 156 | 110 | 22 | 3 | 8-Φ18 | LD125P/LD140SK |
| LDBAA4VP125 | 125 | 213 | 409/438 | 399/416 | 142 | 250 | 210 | 184 | 135 | 22 | 3 | 8-Φ18 | LD160P/LD190SK |
| LDBAA4VP150 | 150 | 229 | 438/550 | 461/486 | 165 | 285 | 240 | 211 | 165 | 24 | 3 | 8-Φ22 | LD190P/LD210SK |
| LDBAA4VP200 | 200 | 243 | 550/600 | 509/553 | 195 | 340 | 295 | 266 | 210 | 24 | 3 | 12-Φ22 | LD210P/LD240SK |
| LDBAA4VP250 | 250 | 297 | 633/730 | 603/628 | 237 | 405 | 355 | 319 | 260 | 26 | 3 | 12-Φ26 | LD240P/LD270SK |
| LDBAA4VP300 | 300 | 334 | 730 | 790/825 | 287 | 460 | 410 | 370 | 310 | 28 | 3 | 12-Φ26 | LD270P/AW20S |
| LDBAA4VP350 | 350 | 414 | 1180 | 828/858 | 338 | 520 | 470 | 429 | 360 | 30 | 4 | 16-Φ26 | AW20/AW25S |
| LDBAA4VP400 | 400 | 490 | 1180 | 1063/- | 390 | 580 | 525 | 480 | 410 | 32 | 4 | 16-Φ30 | AW20/AW25S |
| LDBAA4VP500 | 500 | 600 | 1320 | - | 510 | 715 | 650 | 609 | 510 | 36 | 4 | 16-Φ33 | AW25/AW35S |
| 主要外形及连接法兰尺寸Q640F(P、H、Y)-PN25(2.5MPA) | |||||||||||||
| 型号 | DN | L | L1 | ~H | H1 | D | D1 | D2 | D3 | C | F | n-Φd | 执行器型号 |
| LDBAA4VP25 | 25 | 102 | 159/248 | 260/290 | 87 | 115 | 85 | 65 | 38 | 16 | 3 | 4-Φ14 | LD063P/LD083SK |
| LDBAA4VP32 | 32 | 105 | 159/248 | 267/297 | 87 | 140 | 100 | 76 | 42 | 18 | 3 | 4-Φ18 | LD063P/LD083SK |
| LDBAA4VP40 | 40 | 114 | 211/269 | 292/312 | 87 | 150 | 110 | 84 | 50 | 18 | 3 | 4-Φ18 | LD075P/LD105SK |
| LDBAA4VP50 | 50 | 124 | 248/315 | 312/325 | 97 | 165 | 125 | 99 | 60 | 20 | 3 | 4-Φ18 | LD083P/LD125SK |
| LDBAA4VP65 | 65 | 145 | 269/345 | 340/362 | 112 | 185 | 145 | 118 | 75 | 22 | 3 | 8-Φ18 | LD125P/LD140SK |
| LDBAA4VP80 | 80 | 165 | 315/409 | 381/398 | 112 | 200 | 160 | 132 | 94 | 24 | 3 | 8-Φ18 | LD125P/LD140SK |
| LDBAA4VP100 | 100 | 194 | 345/409 | 395/412 | 122 | 235 | 190 | 156 | 110 | 24 | 3 | 8-Φ22 | LD125P/LD140SK |
| LDBAA4VP125 | 125 | 213 | 409/438 | 416/441 | 142 | 270 | 220 | 184 | 135 | 26 | 3 | 8-Φ26 | LD140P/LD160SK |
| LDBAA4VP150 | 150 | 229 | 438/550 | 486/530 | 165 | 300 | 250 | 211 | 165 | 28 | 3 | 8-Φ26 | LD160P/LD190SK |
| LDBAA4VP200 | 200 | 243 | 550/600 | 553/578 | 195 | 360 | 310 | 274 | 210 | 30 | 3 | 12-Φ26 | LD190P/LD210SK |
| LDBAA4VP250 | 250 | 297 | 633/730 | 628/673 | 237 | 425 | 370 | 330 | 260 | 32 | 3 | 12-Φ30 | LD240P/LD270SK |
| LDBAA4VP300 | 300 | 334 | 730 | 725/755 | 287 | 485 | 430 | 389 | 310 | 34 | 4 | 16-Φ30 | LD270P/AW20S |
| LDBAA4VP350 | 350 | 414 | 1180 | 858/- | 338 | 555 | 490 | 448 | 360 | 38 | 4 | 16-Φ33 | AW20/AW25S |
| LDBAA4VP400 | 400 | 490 | 1180 | -/- | 390 | 620 | 550 | 503 | 410 | 40 | 4 | 16-Φ36 | AW20/AW25S |
| LDBAA4VP500 | 500 | 600 | 1320 | -/- | 510 | 730 | 660 | 609 | 510 | 44 | 4 | 20-Φ36 | AW25/AW35S |
备注:
球阀结构长度及连接法兰尺寸根据JB/T79标准或用户要求设计制作。
执行器型号***/***分别是气动执行器双作用式/单作用式(弹簧复位)。
根据不同阀门扭矩、使用介质适配的执行器型号可能有所不同,相关尺寸随之变化。
以上执行器配置及数据均采用软密封(F、N、P)阀门,硬密封阀门的配置及数据请咨询本公司。