联系热线





| 技术参数 | 阀体参数 | |
| 气缸形式 双作用、单作用 | 公称压力 PN10、PN16 | |
| 环境温度 -20℃~+80℃ | 连接方式 对夹式、法兰标准:JB、GB(特选ANSI、JIS) | |
| 气源压力 双作用4~8bar,单作用5~8bar | 阀体材质 WCB、SS304、SS316、SS316L | |
| 阀板材质 铸铁、WCB、SS304、SS316、SS316L | ||
| 功能选项 | 密封材料 X、NBR、EPDM、PTFE | |
| 防 爆 型 防爆等级:dIIBT4 | 工作温度 | C1:-10℃~60℃ |
| 信号反馈 X1机械无源信号,X2有源信号 | C2:-20℃~80℃ | |
| 手动功能 气动阀可选手轮、手动开阀、关阀功能 | C3:-20℃~120℃ | |
| 调 节 型 输入4-20mA信号,实现球阀调节功能 | C4:-40℃~150℃ | |
| 附件选项 | ||
| 标准规范 | 回 讯 器 也叫限位开关,远程反馈开关信号 | |
| 法兰标准 JB/T79、ANSI/9113 | 电 磁 阀 双作用选两位五通,单作用选两位三通 | |
| 设计标准 ANSI/12238 | 三 联 件 可对气源稳压、过滤、气缸加润滑油 | |
| 结构长度 ANSI/12221 | 手轮机构 转动手轮机构,可实现手动开、关阀 | |
| 对夹连接 ANSI/12221 | 电器定位器 输入4-20mA信号,实现球阀调节功能 | |
| 实验和检验 JB/T9092 | 备 注 气缸参数请另参考所选配的气动执行器资料 | |

| 零件结构材质表 | |||||
| 材质 | |||||
| 序号 | 零件名称 | Z | C | P | |
| 1 | 阀座 | 橡胶、四氟Rubber、PTFE | |||
| 2 | 圆推销 | 45钢 | 45钢 | 不锈钢 | |
| 3 | 蝴板 | 球墨铸铁镀硬铬 | 碳钢或不锈钢 | 不锈钢 | |
| 4 | 阀体 | 灰铸铁 | 碳钢 | 不锈钢 | |
| 5 | 螺栓 | 35钢 | 碳钢 | 不锈钢 | |
| 6 | 阀杆 | 45钢 | 不锈钢 | 不锈钢 | |
| 7 | 键 | 45钢 | 45钢 | 不锈钢 | |
| 8 | 衬套 | 铜基粉末冶金 | 铜基粉末冶金 | 铜基粉末冶金 | |
| 9 | O型圈 | 橡胶、氟橡胶 | |||
| 10 | 气动装置 | LDP系列、LDSK系列、AW系列 | |||
| 11 | 位置指示器 | 塑料 | |||

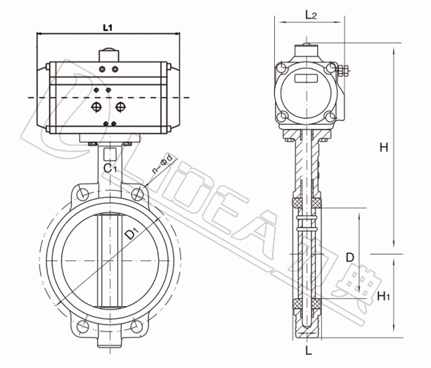
| 主要外形及连接法兰尺寸Q671X(F、F4、J)-PN6.0、10(0.6、1.0MPA) | ||||||||||
| 型号 | DN | L | L1 | L2 | ~H | H1 | D | D1 | n-Φd | 执行器型号 |
| LDBUAP50 | 50 | 42 | 141/159 | 71/83 | 269/281 | 68 | 52.9 | 120 | 4-23 | LD052P/LD063SK |
| LDBUAP65 | 65 | 44.7 | 159/211 | 83/95 | 283/303 | 75 | 64.5 | 136.2 | 4-26.5 | LD063P/LD083SK |
| LDBUAP80 | 80 | 45.2 | 159/248 | 83/107 | 289/309 | 93 | 78.8 | 160 | 8-18 | LD083P/LD105SK |
| LDBUAP100 | 100 | 52.1 | 211/269 | 95/123 | 320/338 | 104 | 10.4 | 185 | 4-24.5 | LD083P/LD105SK |
| LDBUAP125 | 125 | 54.4 | 248/269 | 107/123 | 351/366 | 118 | 123.3 | 215 | 4-23 | LD105P/LD140SK |
| LDBUAP150 | 150 | 55.8 | 269/345 | 123/152 | 380/405 | 133 | 155.6 | 238 | 4-25 | LD125P/LD160SK |
| LDBUAP200 | 200 | 60.6 | 345/409 | 152/172 | 435/477 | 165 | 202.5 | 295 | 4-25 | LD140P/LD160SK |
| LDBUAP250 | 250 | 65.6 | 409/438 | 172/187 | 509/552 | 197 | 250.5 | 357 | 4-29 | LD160P/LD190SK |
| LDBUAP300 | 300 | 76.5 | 438/550 | 187/215 | 597/622 | 224 | 301.6 | 407 | 4-29 | LD190P/LD210SK |
| LDBUAP350 | 350 | 76.5 | 550/600 | 215/240 | 653/688 | 267 | 333.3 | 467 | 4-30 | LD210P/LD240SK |
| LDBUAP400 | 400 | 86.5 | 550/633 | 215/262 | 720/787 | 309 | 389.6 | 515 | 4-30 | LD240P/LD270SK |
| LDBUAP450 | 450 | 105.6 | 600/633 | 240/262 | 772/858 | 328 | 440.51 | 565 | 4-30 | LD270P/AW20S |
| LDBUAP500 | 500 | 131.8 | 633/730 | 262/330 | 867/1104 | 361 | 491.5 | 620 | 4-33 | AW20/AW25S |
| LDBUAP600 | 600 | 152 | 730/1700 | 330/ | 998/1220 | 459 | 592.5 | 725 | 4-36 | AW25/AW28S |
| LDBUAP700 | 700 | 163 | 1320/197 | / | 1116/1282 | 520 | 695 | 840 | 4-36 | AW28/AW35S |
| LDBUAP800 | 800 | 188 | 1430/2700 | / | 1330/1007 | 591 | 794.7 | 950 | 4-39 | |
备注:
球阀结构长度及连接法兰尺寸根据JB/T79标准或用户要求设计制作。
执行器型号***/***分别是气动执行器双作用式/单作用式(弹簧复位)。
根据不同阀门扭矩、使用介质适配的执行器型号可能有所不同,相关尺寸随之变化。
以上执行器配置及数据均采用软密封(F)阀门,硬密封阀门的配置及数据请咨询本公司。