联系热线





| 技术参数 | 阀体参数 | |
| 气缸形式 双作用、单作用 | 公称压力 PN16、PN25、PN40 | |
| 环境温度 -20℃~+80℃ | 连接方式 内螺纹(特选:卡箍、对焊、承插焊) | |
| 气源压力 双作用4~8bar,单作用5~8bar | 阀体材质 SS304、SS316、SS316L | |
| 球芯材质 SS304、SS316、SS316L | ||
| 功能选项 | 密封材料 PTFE、PPL(特选:石墨、金属硬密封) | |
| 防 爆 型 防爆等级:dIIBT4 | 工作温度 | C3:-30℃~150℃ |
| 信号反馈 X1机械无源信号,X2有源信号 | C6:-30℃~250℃ | |
| 手动功能 气动阀可选手轮、手动开阀、关阀功能 | C7:-30℃~350℃ | |
| 调 节 型 输入4-20mA信号,实现球阀调节功能 | ||
| 标准规范 | 附件选项 | |
| 设计依据 GB标准、ANSI标准 | 回 讯 器 也叫限位开关,远程反馈开关信号 | |
| 法兰连接尺寸 GB/9113、JB/T79、ANSI B16.5 | 电 磁 阀 双作用选两位五通,单作用选两位三通 | |
| 螺纹标准 GB9113、GB9115 | 三 联 件 可对气源稳压、过滤、气缸加润滑油 | |
| 检测与实验 JB/T9092、API598、API598 | 手轮机构 转动手轮机构,可实现手动开、关阀 | |
| 设计标准 GB/12237、ANSI B16.34 | 电器定位器 输入4-20mA信号,实现球阀调节功能 | |
| 结构长度 GB/T15188.3 | 备 注 气缸参数请另参考所选配的气动执行器资料 | |

| 零件结构材质表 | ||
| 序号 | 零件名称 | 材质 |
| 1 | 接头 | 不锈钢CF8M、CF3、CF3M |
| 2 | 阀座 | PTFE、尼龙(Nylon)、对位聚苯(PPL) |
| 3 | 球体 | 不锈钢304、304L、316、316L |
| 4 | 垫片 | PTFE |
| 5 | 阀体 | 不锈钢CF8M、CF3、CF3M |
| 6 | 螺栓 | 不锈钢304 |
| 7 | 阀杆 | 不锈钢304、304L、316、316L |
| 8 | 垫片 | 不锈钢304、316L |
| 9 | 填料 | PTFE |
| 10 | 压盖 | 不锈钢304、316L |
| 11 | 连接支架 | 不锈钢CF8 |
| 12 | 连接套 | 不锈钢304 |
| 13 | 螺栓 | 不锈钢304 |
| 14 | 气动装置 | LDP系列、LDSK系列 |

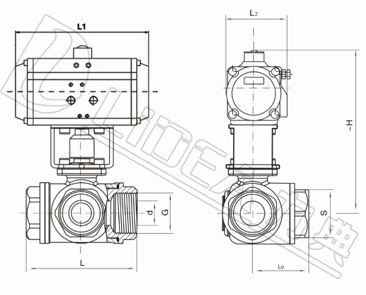
| 主要外形连接尺寸Q614(5)F(N、P)-PN16~64(1.6~6.4MPA) | |||||||||||
| 型号 | DN | in | D | G | L | Lo | L1 | L2 | ~H | S | 执行器型号 |
| LDBAEP15 | 15 | 1/2 | 10 | 1/2 | 68 | 34 | 141/159 | 71/83 | 177/208 | 26 | LD052P/LD063SK |
| LDBAEP20 | 20 | 3/4 | 15 | 3/4 | 78 | 39 | 141/159 | 71/83 | 180/211 | 32 | LD052P/LD063SK |
| LDBAEP25 | 25 | 1 | 20 | 1 | 86 | 43 | 159/211 | 83/95 | 199/227 | 38 | LD063P/LD083SK |
| LDBAEP32 | 32 | 1 1/4 | 25 | 1 1/4 | 111 | 55.5 | 211/248 | 95/107 | 231/251 | 49 | LD083P/LD105SK |
| LDBAEP40 | 40 | 1 1/2 | 32 | 1 1/2 | 126 | 63 | 248/269 | 107/123 | 235/265 | 56 | LD083P/LD105SK |
| LDBAEP50 | 50 | 2 | 38 | 2 | 143 | 71.5 | 248/269 | 107/123 | 263/298 | 70 | LD083P/LD105SK |
备注:
球阀结构长度及连接法兰尺寸根据JB/T79标准或用户要求设计制作。
执行器型号***/***分别是气动执行器双作用式/单作用式(弹簧复位)。
根据不同阀门扭矩、使用介质适配的执行器型号可能有所不同,相关尺寸随之变化。
以上执行器配置及数据均采用软密封(F、N、P)阀门,硬密封阀门的配置及数据请咨询本公司。