联系热线





| 技术参数 | 阀体参数 | |
| 气缸形式 单作用、 双作用 | 公称压力 PN16 | |
| 环境温度 -20℃~+80℃ | 连接方式 法兰式GB(特选JB、ANSI、JIS) | |
| 气源压力 双作用4~8bar,单作用5~8bar | 阀体材质 WCB、SS304 | |
| 球芯材质 SS、SS304 | ||
| 功能选项 | 密封材料 PTFE、PPL | |
| 防 爆 型 防爆等级:dIIBT4 | 工作温度 | C2:-10℃~90℃ |
| 信号反馈 X1机械无源信号,X2有源信号 | C3:-30℃~150℃ | |
| 手动功能 气动阀可选手轮、手动开阀、关阀功能 | C6:-30℃~250℃ | |
| 调 节 型 输入4-20mA信号,实现球阀调节功能 | ||
| 附件选项 | ||
| 标准规范 | 回 讯 器 也叫限位开关,远程反馈开关信号 | |
| 设计标准 GB/12237 | 电 磁 阀 双作用选两位五通,单作用选两位三通 | |
| 结构长度 GB/12221 | 三 联 件 可对气源稳压、过滤、气缸加润滑油 | |
| 法兰连接 GB/12221 | 手轮机构 转动手轮机构,可实现手动开、关阀 | |
| 法兰连接尺寸 GB/91413、JB/T79 | 电器定位器 输入4-20mA信号,实现球阀调节功能 | |
| 实验和检验 GB/T13927、JB/T9092 | 备 注 气缸参数请另参考所选配的气动执行器资料 | |

| 零件结构材质表 | |||||
| 材质 | |||||
| 序号 | 零件名称 | 备注 | C | P | R |
| 1 | 右阀体 | 衬氟 | WCB | ZG1Cr18Ni9Ti | ZG1Cr18Ni12Mo2Ti |
| 2 | 螺母 | / | 35 | 1Cr18Ni9Ti | 1Cr18Ni9Ti |
| 3 | 垫片 | / | PTFE、石墨金属复合垫 | ||
| 4 | 螺栓 | / | 35 | 1Cr18Ni9Ti | 1Cr18Ni9Ti |
| 5 | 阀体 | / | WCB | ZG1Cr18Ni9Ti | ZG1Cr18Ni12Mo2Ti |
| 6 | 阀座 | / | PTFE、尼龙、对位聚苯(PPL)、硬质合金(Hard Alloy) | ||
| 7 | 球体 | 衬氟 | 1Cr18Ni9Ti | 1Cr18Ni9Ti | 1Cr18Ni12Mo2Ti |
| 8 | 阀杆 | / | 1Cr13 | 1Cr18Ni9Ti | 1Cr18Ni12Mo2Ti |
| 9 | 垫片 | / | 1Cr18Ni9Ti | 1Cr18Ni9Ti | 1Cr18Ni12Mo2Ti |
| 10 | 填料 | / | PTFE、柔性石墨 | ||
| 11 | 衬套 | / | PTFE、复合轴承 | ||
| 12 | 压盖 | / | WCB | ZG1Cr18Ni9Ti | ZG1Cr18Ni12Mo2Ti |
| 13 | 螺栓 | / | 35 | 1Cr18Ni9Ti | 1Cr18Ni9Ti |
| 14 | 螺栓 | / | 35 | 1Cr18Ni9Ti | 1Cr18Ni9Ti |
| 15 | 连接支架 | / | 1Cr18Ni9Ti | 1Cr18Ni9Ti | 1Cr18Ni9Ti |
| 16 | 螺栓 | / | 35 | 1Cr18Ni9Ti | 1Cr18Ni9Ti |
| 17 | 连接套 | / | WCB | 1Cr18Ni9Ti | 1Cr18Ni9Ti |
| 18 | 气动装置 | / | GT系列、AT系列、AW系列 | ||
| 19 | 位置指示器 | / | 塑料 | ||

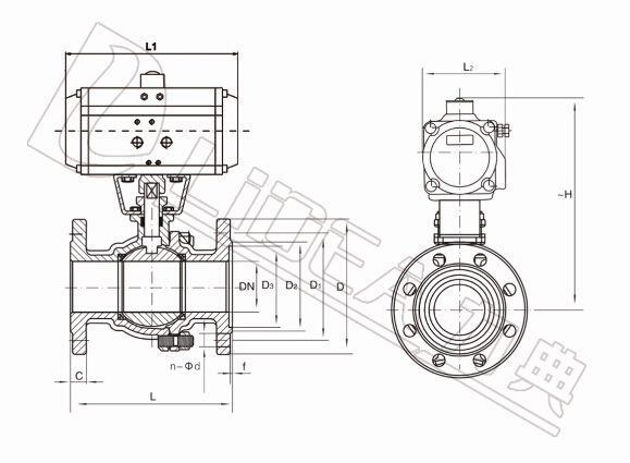
| 主要外形连接尺寸Q641F(N、P、Y)-PN16~64(1.6~6.4MPA) | ||||||||||||
| 型号 | DN | L | L1 | L2 | ~H | D | D1 | D2 | C | F | n-Φd | 执行器型号 |
| LDBAAFP15 | 15 | 130 | 141/159 | 71/83 | 204/235 | 95 | 65 | 46 | 14 | 2 | 4-Φ14 | LD052P/LD063SK |
| LDBAAFP20 | 20 | 140 | 141/159 | 71/83 | 209/240 | 105 | 75 | 56 | 16 | 2 | 4-Φ14 | LD052P/LD063SK |
| LDBAAFP25 | 25 | 150 | 159/211 | 83/95 | 214/256 | 115 | 85 | 65 | 16 | 2 | 4-Φ14 | LD063P/LD083SK |
| LDBAAFP32 | 32 | 165 | 159/248 | 83/107 | 257/277 | 140 | 100 | 76 | 18 | 2 | 4-Φ18 | LD063P/LD105SK |
| LDBAAFP40 | 40 | 180 | 211/248 | 95/107 | 274/292 | 150 | 110 | 84 | 18 | 3 | 4-Φ18 | LD083P/LD105SK |
| LDBAAFP50 | 50 | 200 | 248/269 | 107/123 | 290/300 | 165 | 125 | 99 | 20 | 3 | 4-Φ18 | LD083P/LD105SK |
| LDBAAFP65 | 65 | 220 | 248/315 | 107/141 | 310/335 | 185 | 145 | 118 | 20 | 3 | 4-Φ18 | LD105P/LD125SK |
| LDBAAFP80 | 80 | 250 | 269/345 | 123/152 | 346/368 | 200 | 160 | 132 | 20 | 3 | 8-Φ18 | LD105P/LD125SK |
| LDBAAFP100 | 100 | 280 | 345/409 | 152/172 | 378/410 | 220 | 180 | 156 | 22 | 3 | 8-Φ18 | AW125/AW160 |
| LDBAAFP125 | 125 | 320 | 409/550 | 172/215 | 425/450 | 250 | 210 | 184 | 22 | 3 | 8-Φ18 | AW160/AW190 |
| LDBAAFP150 | 150 | 360 | 550/600 | 215/240 | 468/531 | 285 | 240 | 211 | 24 | 3 | 8-Φ22 | AW190/AW210 |
| LDBAAFP200 | 200 | 400 | 600/633 | 240/262 | 583/618 | 340 | 295 | 266 | 24 | 3 | 12-Φ22 | AW210/AW240 |
备注:
球阀结构长度及连接法兰尺寸根据JB/T79标准或用户要求设计制作。
执行器型号***/***分别是气动执行器双作用式/单作用式(弹簧复位)。
根据不同阀门扭矩、使用介质适配的执行器型号可能有所不同,相关尺寸随之变化。
以上执行器配置及数据均采用软密封(F、N、P)阀门,硬密封阀门的配置及数据请咨询本公司。