联系热线





| 技术参数 | 阀体参数 | |
| 气缸形式 双作用、单作用 | 公称压力 PN6、PN10、PN16、PN25、PN40 | |
| 环境温度 -20℃~+80℃ | 连接方式 法兰JB、GB(特选ANSI、JIS) | |
| 气源压力 双作用4~8bar,单作用5~8bar | 阀体材质 WCB、SS304、SS316、SS316L | |
| 阀板材质 WCB、SS304、SS316、SS316L | ||
| 功能选项 | 密封材料 Y(多层或混合硬密封)、S(不锈钢金属密封) | |
| 防 爆 型 防爆等级:dIIBT4 | 工作温度 | C6:-30℃~250℃(Y) |
| 信号反馈 X1机械无源信号,X2有源信号 | C7:-30℃~350℃(S) | |
| 手动功能 气动阀可选手轮、手动开阀、关阀功能 | C8:-40℃~400℃(S) | |
| 调 节 型 输入4-20mA信号,实现球阀调节功能 | C9:-40℃~450℃(S) | |
| 标准规范 | ||
| 设计依据 GB标准、ABSI标准 | 附件选项 | |
| 法兰标准 GB9113、GB9113、GB9115 | 回 讯 器 也叫限位开关,远程反馈开关信号 | |
| 设计标准 GB 12238 API609 | 电 磁 阀 双作用选两位五通,单作用选两位三通 | |
| 结构长度 GB/12221 ANSI B16.10 | 三 联 件 可对气源稳压、过滤、气缸加润滑油 | |
| 法兰连接 GB/12221 ANSI B16.10 | 手轮机构 转动手轮机构,可实现手动开、关阀 | |
| 法兰连接尺寸 JB/9113、JB/T79 ANSI B16.5(2~24'') | 电器定位器 输入4-20mA信号,实现球阀调节功能 | |
| ANSI B16.47(26~32'') | 备 注 气缸参数请另参考所选配的气动执行器资料 | |
| 实验和检验 JB/T9092 API598 | ||

| 零件结构材质表 | |||||
| 材质 | |||||
| 序号 | 零件名称 | C | P | R | |
| 1 | 内六角螺丝 | 1Cr18Ni9Ti | 1Cr18Ni9Ti | 1Cr18Ni12Mo2Ti | |
| 2 | 阀盖 | WCB | 1Cr18Ni9Ti | ZG1Cr18Ni12Mo2Ti | |
| 3 | 垫片 | 1Cr18Ni9Ti | 1Cr18Ni9Ti | 1Cr18Ni12Mo2Ti | |
| 4 | 阀座 | 不锈钢+柔性石墨、PTFE | |||
| 5 | 垫片 | 1Cr18Ni9Ti | 1Cr18Ni9Ti | 1Cr18Ni12Mo2Ti | |
| 6 | 蝶板 | WCB | ZG1Cr18Ni9Ti | ZG1Cr18Ni12Mo2Ti | |
| 7 | 圆柱销 | 45 | 1Cr18Ni9Ti | 1Cr18Ni12Mo2Ti | |
| 8 | 下盖 | WCB | ZG1Cr18Ni9Ti | ZG1Cr18Ni12Mo2Ti | |
| 9 | 垫片 | 不锈钢+柔性石墨、PTFE | |||
| 10 | 衬套 | PTFE复合轴承 | |||
| 11 | 阀体 | WCB | ZG1Cr18Ni9Ti | ZG1Cr18Ni12Mo2Ti | |
| 12 | 阀杆 | 1Cr13 | 1Cr18Ni9Ti | 1Cr18Ni12Mo2Ti | |
| 13 | 支架 | WCB | WCB | WCB | |
| 14 | 键 | 45 | 45 | 45 | |
| 15 | 衬套 | PTFE复合轴承 | |||
| 16 | 填料 | 柔性石墨、PTFE | |||
| 17 | 压盖 | WCB | ZG1Cr18Ni9Ti | ZG1Cr18Ni12Mo2Ti | |
| 18 | 气动执行器 | LDP系列、LDSK系列、AW系列 | |||

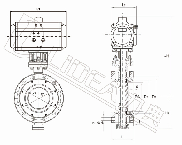
| 主要外形连接尺寸D643H(F、Y)-PN16(1.6MPA) | ||||||||||||
| 型号 | DN | L | L1 | L2 | ~H | H1 | D | D1 | D2 | f | n-Φd | 执行器型号 |
| LDBUCHP50 | 50 | 108 | 159/211 | 83/95 | 277/205 | 65 | 165 | 125 | 99 | 3 | 4-Φ18 | LD065P/LD083SK |
| LDBUHP65 | 65 | 112 | 211/248 | 95/107 | 287/315 | 75 | 185 | 145 | 118 | 3 | 4-Φ18 | LD075P/LD083SK |
| LDBUCHP80 | 80 | 114 | 248/269 | 107/123 | 365/375 | 85 | 200 | 160 | 132 | 3 | 8-Φ18 | LD083P/LD105SK |
| LDBUCHP100 | 100 | 127 | 269/315 | 123/141 | 420/436 | 130 | 220 | 180 | 156 | 3 | 8-Φ18 | LD105P/LD125SK |
| LDBUCHP125 | 125 | 140 | 315/345 | 141/152 | 436/462 | 175 | 250 | 210 | 184 | 3 | 8-Φ18 | LD125P/LD140SK |
| LDBUCHP150 | 150 | 140 | 345/409 | 152/172 | 466/543 | 190 | 285 | 240 | 211 | 3 | 8-Φ22 | LD140P/LD160SK |
| LDBUCHP200 | 200 | 152 | 409/438 | 172/187 | 593/665 | 215 | 340 | 295 | 266 | 3 | 12-Φ22 | LD160P/LD190SK |
| LDBUCHP250 | 250 | 165 | 438/550 | 187/215 | 682/752 | 265 | 405 | 355 | 319 | 3 | 12-Φ26 | LD190P/LD210SK |
| LDBUCHP300 | 300 | 178 | 550/600 | 215/240 | 725/772 | 305 | 460 | 410 | 370 | 4 | 12-Φ26 | LD190P/LD210SK |
| LDBUCHP350 | 350 | 190 | 600/633 | 240/262 | 832/880 | 340 | 520 | 470 | 429 | 4 | 16-Φ26 | LD210P/LD240SK |
| LDBUCHP400 | 400 | 216 | 633/730 | 262/330 | 862/968 | 360 | 580 | 525 | 480 | 4 | 16-Φ30 | LD240P/LD270SK |
| LDBUCHP450 | 450 | 222 | 633/1700 | 262/440 | 945/1005 | 400 | 640 | 585 | 548 | 4 | 20-Φ30 | LD270P/AW20S |
| LDUBCHP500 | 500 | 229 | 730/1700 | 330/440 | 1058/1060 | 430 | 715 | 650 | 609 | 4 | 20-Φ33 | AW20S/AW25S |
| LDBUCHP600 | 600 | 267 | 1180/1700 | 365/440 | 1108/1195 | 490 | 840 | 770 | 720 | 5 | 20-Φ36 | AW25/AW35S |
| LDBUCHP700 | 700 | 292 | 1320/1970 | 440/480 | 1170/1255 | 555 | 910 | 840 | 794 | 5 | 24-Φ36 | AW28/AW35S |
| LDBUCHP800 | 800 | 318 | 1430/2700 | 480/560 | 1325/1365 | 620 | 1025 | 950 | 901 | 5 | 24-Φ39 | AW28/AW35S |
| 主要外形连接尺寸D643H(F、Y)-PN25(2.5MPA) | ||||||||||||
| 型号 | DN | L | L1 | L2 | ~H | H1 | D | D1 | D2 | f | n-Φd | 执行器型号 |
| LDBUCHP50 | 50 | 108 | 159/211 | 83/95 | 277/205 | 65 | 165 | 125 | 99 | 3 | 4-Φ18 | LD063P/LD083SK |
| LDBUHP65 | 65 | 112 | 211/248 | 95/107 | 287/325 | 75 | 185 | 145 | 118 | 3 | 8-Φ18 | LD075P/LD083SK |
| LDBUCHP80 | 80 | 114 | 248/269 | 107/123 | 365/391 | 85 | 200 | 160 | 132 | 3 | 8-Φ18 | LD083P/LD105SK |
| LDBUCHP100 | 100 | 127 | 269/315 | 123/141 | 420/457 | 130 | 235 | 190 | 156 | 3 | 8-Φ22 | LD105P/LD125SK |
| LDBUCHP125 | 125 | 140 | 315/345 | 141/152 | 436/462 | 175 | 270 | 220 | 184 | 3 | 8-Φ26 | LD125P/LD140SK |
| LDBUCHP150 | 150 | 140 | 409/438 | 172/187 | 466/543 | 190 | 300 | 250 | 211 | 3 | 8-Φ26 | LD140P/LD160SK |
| LDBUCHP200 | 200 | 152 | 438/550 | 187/215 | 593/665 | 215 | 360 | 310 | 274 | 3 | 12-Φ26 | LD160P/LD190SK |
| LDBUCHP250 | 250 | 165 | 550/600 | 215/240 | 682/752 | 265 | 425 | 370 | 330 | 3 | 12-Φ30 | LD190P/LD210SK |
| LDBUCHP300 | 300 | 178 | 600/633 | 240/262 | 702/820 | 305 | 485 | 430 | 389 | 4 | 16-Φ30 | LD190P/LD210SK |
| LDBUCHP350 | 350 | 190 | 633/730 | 262/330 | 832/938 | 340 | 555 | 490 | 448 | 4 | 16-Φ33 | LD210P/LD240SK |
| LDBUCHP400 | 400 | 216 | 633/1700 | 262/440 | 910/968 | 360 | 620 | 550 | 503 | 4 | 16-Φ36 | LD240P/LD270SK |
| LDBUCHP450 | 450 | 222 | 730/1700 | 330/440 | 1005/1010 | 400 | 670 | 600 | 548 | 4 | 20-Φ36 | LD270P/AW20S |
| LDUBCHP500 | 500 | 229 | 730/1700 | 330/440 | 1058/1065 | 430 | 730 | 660 | 609 | 4 | 20-Φ36 | AW20S/AW25S |
| LDBUCHP600 | 600 | 267 | 1320/1970 | 440/480 | 1110/1195 | 490 | 845 | 770 | 720 | 4 | 20-Φ39 | AW25/AW35S |
| LDBUCHP700 | 700 | 292 | 1430/2700 | 480/560 | 1255/1295 | 555 | 960 | 875 | 820 | 5 | 24-Φ42 | AW28/AW35S |
| LDBUCHP800 | 800 | 318 | 1950/2700 | 560/580 | 1325/1365 | 620 | 1085 | 990 | 928 | 5 | 24-Φ48 | AW28/AW35S |
备注:
球阀结构长度及连接法兰尺寸根据JB/T79标准或用户要求设计制作。
执行器型号***/***分别是气动执行器双作用式/单作用式(弹簧复位)。
根据不同阀门扭矩、使用介质适配的执行器型号可能有所不同,相关尺寸随之变化。
以上执行器配置及数据均采用软密封(F)阀门,硬密封阀门的配置及数据请咨询本公司。