联系热线





| 技术参数 | 阀体参数 | |
| 气缸形式 双作用、单作用 | 公称压力 PN16、PN25、PN40 | |
| 环境温度 -20℃~+80℃ | 连接方式 法兰式 | |
| 气源压力 双作用4~8bar,单作用5~8bar | 阀体材质 SS304、SS316、SS316L | |
| 球芯材质 SS304、SS316、SS316L | ||
| 功能选项 | 密封材料 PTFE、PPL(特选:石墨、硬密封) | |
| 防 爆 型 防爆等级:dIIBT4 | 工作温度 | C3:-30℃~150℃ |
| 信号反馈 X1机械无源信号,X2有源信号 | C6:-30℃~250℃ | |
| 手动功能 气动阀可选手轮、手动开阀、关阀功能 | C7:-30℃~350℃ | |
| 调 节 型 输入4-20mA信号,实现球阀调节功能 | ||
| 标准规范 | 附件选项 | |
| 设计依据 GB标准 ANSI标准 | 回 讯 器 也叫限位开关,远程反馈开关信号 | |
| 法兰标准 GB/1221、ANSI/1221 | 电 磁 阀 双作用选两位五通,单作用选两位三通 | |
| 法兰连接尺寸 GB/9113、JB/T79、ANSI B16.5 | 三 联 件 可对气源稳压、过滤、气缸加润滑油 | |
| 检测与实验 JB/T9092、ANSI B16.34 | 手轮机构 转动手轮机构,可实现手动开、关阀 | |
| 设计标准 GB/12237、ANSI B16.34 | 电器定位器 输入4-20mA信号,实现球阀调节功能 | |
| 结构长度 GB/T12221、GB/T12221 | 备 注 气缸参数请另参考所选配的气动执行器资料 | |

| 零件结构材质表 | |||||
| 材质 | |||||
| 序号 | 零件名称 | C | P | R | |
| 1 | 右阀体 | WCB | ZG1Cr18Ni9Ti | ZG1Cr18Ni12Mo2Ti | |
| 2 | 螺母 | 35 | 1Cr18Ni9Ti | 1Cr18Ni9Ti | |
| 3 | 垫片 | PTFE、石墨金属复合垫 | |||
| 4 | 螺栓 | 35 | 1Cr18Ni9Ti | 1Cr18Ni9Ti | |
| 5 | 阀体 | WCB | ZG1Cr18Ni9Ti | ZG1Cr18Ni12Mo2Ti | |
| 6 | 阀座 | PTFE、尼龙(Nyfon)、对位聚苯(PPL)、硬质合金Hard Alloy | |||
| 7 | 球体 | 1Cr18Ni9Ti | 1Cr18Ni9Ti | 1Cr18Ni12Mo2Ti | |
| 8 | 阀杆 | 1Cr13 | 1Cr18Ni9Ti | 1Cr18Ni12Mo2Ti | |
| 9 | 垫片 | 1Cr18Ni9Ti | 1Cr18Ni9Ti | 1Cr18Ni12Mo2Ti | |
| 10 | 填料 | PTFE、柔性石墨 | |||
| 11 | 衬套 | PTFE、复合轴承 | |||
| 12 | 压盖 | WCB | ZG1Cr18Ni9Ti | ZG1Cr18Ni12Mo2Ti | |
| 13 | 螺栓 | 35 | 1Cr18Ni9Ti | 1Cr18Ni9Ti | |
| 14 | 螺栓 | 35 | 1Cr18Ni9Ti | 1Cr18Ni9Ti | |
| 15 | 连接支架 | 1Cr18Ni9Ti | 1Cr18Ni9Ti | 1Cr18Ni9Ti | |
| 16 | 螺栓 | 35 | 1Cr18Ni9Ti | 1Cr18Ni9Ti | |
| 17 | 连接套 | 1Cr18Ni9Ti | 1Cr18Ni9Ti | 1Cr18Ni9Ti | |
| 18 | 气动装置 | LDP系列、LDSK系列、AW系列 | |||
| 19 | 位置指示器 | 塑料 | |||

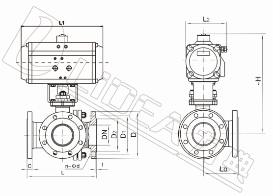
| 主要外形连接尺寸Q644(5)(N、P、H、Y)-PN16(1.6MPA) | ||||||||||||||
| 型号 | DN | in | L | Lo | L1 | L2 | ~H | D | D1 | D2 | C | F | n-Φd | 执行器型号 |
| LDBADP15 | 15 | 1/2 | 150 | 72 | 141/159 | 71/83 | 204/235 | 95 | 65 | 46 | 14 | 2 | 4-Φ14 | LD052P/LD063SK |
| LDBADP20 | 20 | 3/4 | 160 | 80 | 159/211 | 83/95 | 240/252 | 105 | 75 | 56 | 16 | 2 | 4-Φ14 | LD052P/LD063SK |
| LDBADP25 | 25 | 1 | 180 | 90 | 211/248 | 95/107 | 257/265 | 115 | 85 | 65 | 16 | 2 | 4-Φ14 | LD063P/LD083SK |
| LDBADP32 | 32 | 1 1/4 | 200 | 100 | 211/248 | 95/107 | 277/312 | 140 | 100 | 76 | 18 | 3 | 4-Φ18 | LD075P/LD092SK |
| LDBADP40 | 40 | 1 1/2 | 220 | 110 | 248/269 | 107/123 | 292/317 | 150 | 110 | 84 | 18 | 3 | 4-Φ18 | LD083P/LD105SK |
| LDBADP50 | 50 | 2 | 240 | 120 | 248/345 | 107/152 | 325/347 | 165 | 125 | 99 | 20 | 3 | 4-Φ18 | LD083P/LD105SK |
| LDBADP65 | 65 | 2 1/2 | 260 | 130 | 315/409 | 141/172 | 357/389 | 185 | 145 | 118 | 20 | 3 | 4-Φ18 | LD105P/LD125SK |
| LDBADP80 | 80 | 3 | 280 | 140 | 345/409 | 152/172 | 368/400 | 200 | 160 | 132 | 20 | 3 | 8-Φ18 | LD105P/LD140SK |
| LDBADP100 | 100 | 4 | 320 | 160 | 409/550 | 172/215 | 410/498 | 220 | 180 | 156 | 22 | 3 | 8-Φ18 | LD125P/LD160SK |
| LDBADP125 | 125 | 5 | 380 | 190 | 438/600 | 187/240 | 470/538 | 250 | 210 | 184 | 22 | 3 | 8-Φ18 | LD160P/LD190SK |
| LDBADP150 | 150 | 6 | 440 | 220 | 550/633 | 215/262 | 556/591 | 285 | 240 | 211 | 24 | 3 | 8-Φ22 | LD190P/LD210SK |
| LDBADP200 | 200 | 8 | 550 | 260 | 600/730 | 210/330 | 648/687 | 340 | 295 | 266 | 24 | 3 | 12-Φ22 | LD240P/LD270SK |
| 主要外形连接尺寸Q644(5)F(N、P、H、Y)-PN25(2.5MPA) | ||||||||||||||
| 型号 | DN | in | L | Lo | L1 | L2 | ~H | D | D1 | D2 | C | F | n-Φd | 执行器型号 |
| LDBADP15 | 15 | 1/2 | 150 | 72 | 159/211 | 83/95 | 235/247 | 95 | 65 | 46 | 14 | 2 | 4-Φ14 | LD052P/LD063SK |
| LDBADP20 | 20 | 3/4 | 160 | 80 | 211/248 | 95/107 | 252/260 | 105 | 75 | 56 | 16 | 2 | 4-Φ14 | LD063P/LD083SK |
| LDBADP25 | 25 | 1 | 180 | 90 | 248/269 | 107/123 | 265/289 | 115 | 85 | 65 | 16 | 2 | 4-Φ14 | LD075P/LD092SK |
| LDBADP32 | 32 | 1 1/4 | 200 | 100 | 248/315 | 107/141 | 287/312 | 140 | 100 | 76 | 18 | 3 | 4-Φ18 | LD083P/LD105SK |
| LDBADP40 | 40 | 1 1/2 | 220 | 110 | 269/409 | 123/152 | 317/339 | 150 | 110 | 84 | 18 | 3 | 4-Φ18 | LD092P/LD105SK |
| LDBADP50 | 50 | 2 | 240 | 120 | 345/345 | 123/152 | 325/347 | 165 | 125 | 99 | 20 | 3 | 4-Φ18 | LD105P/LD125SK |
| LDBADP65 | 65 | 2 1/2 | 260 | 130 | 269/345 | 141/172 | 357/389 | 185 | 145 | 118 | 22 | 3 | 4-Φ18 | LD105P/LD140SK |
| LDBADP80 | 80 | 3 | 280 | 140 | 315/438 | 152/187 | 400/425 | 200 | 160 | 132 | 24 | 3 | 8-Φ18 | LD125P/LD160SK |
| LDBADP100 | 100 | 4 | 320 | 160 | 409/550 | 172/215 | 443/531 | 235 | 190 | 156 | 24 | 3 | 4-Φ22 | LD160P/LD190SK |
| LDBADP125 | 125 | 5 | 380 | 190 | 438/600 | 187/240 | 548/583 | 270 | 220 | 184 | 26 | 3 | 8-Φ26 | LD190P/LD210SK |
| LDBADP150 | 150 | 6 | 440 | 220 | 550/633 | 215/262 | 628/665 | 300 | 250 | 211 | 28 | 3 | 8-Φ26 | LD240P/LD270SK |
| LDBADP200 | 200 | 8 | 550 | 260 | 600/730 | 240/330 | 695/744 | 360 | 310 | 274 | 30 | 3 | 12-Φ26 | LD270P |
备注:
球阀结构长度及连接法兰尺寸根据JB/T79标准或用户要求设计制作。
执行器型号***/***分别是气动执行器双作用式/单作用式(弹簧复位)。
根据不同阀门扭矩、使用介质适配的执行器型号可能有所不同,相关尺寸随之变化。
以上执行器配置及数据均采用软密封(F、N、P)阀门,硬密封阀门的配置及数据请咨询本公司。