联系热线




| 阀体参数 | 技术参数 | |
| 公称通径 20-100mm | 电源电压 AC220V、AC380V(其它特制) | |
| 公称压力 PN10、PN16、PN25 | 环境温度 -30℃~+70℃ | |
| 连接方式 对夹连接 | 防护等级 IP67 | |
| 碟板材质 SS304、SS316、SS316L | 功能选项 | |
| 密封材料 PTFE、PPL | 防 爆 型 防爆等级:dIIBT5 | |
| 工作温度 | C3:-20℃~150℃ | 信号反馈 X1机械无源信号,X2有源信号 |
| C6:-30℃~250℃ | 手动功能 手动功能 电动执行器带有手动开阀、关阀功能 | |
| 标准规范 | 开关型 通电开到位,通电关到位。 | |
| 法兰标准 JB79 | 调节型 调节型输入4~20mA、1~5V、0~10V信号,实现球阀调节功能 | |
| 检测与试验 GB/T13927-1992 | 适用介质 水、空气、蒸汽、煤气、油品、乙醇、酸碱性等气体或液体 | |
| 设计标准 GB/T13927-1989 | 备注 电动参数请另参考选配的电动执行器资料 | |

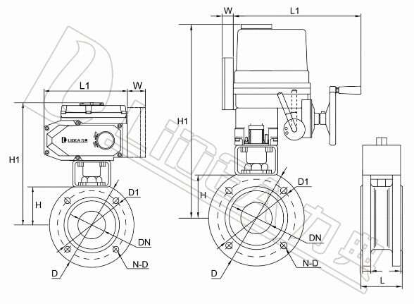
| GB阀体尺寸(mm)配LDE电动执行器 | |||||||||
| 规格型号 | DN | L | D | D1 | H | H1 | L1 | Z-ФD | E-电动头 |
| LDBAB20 | 20 | 37 | 105 | 75 | 53 | 285 | 320 | 4-Ф12 | LDE-010 |
| LDBAB25 | 25 | 45 | 115 | 85 | 65 | 297 | 320 | 4-Ф12 | LDE-010 |
| LDBAB32 | 32 | 55 | 135 | 100 | 77 | 309 | 320 | 4-Ф16 | LDE-010 |
| LDBAB40 | 40 | 62 | 145 | 110 | 85 | 317 | 320 | 4-Ф16 | LDE-010 |
| LDBAB50 | 50 | 72 | 160 | 125 | 93 | 325 | 320 | 4-Ф16 | LDE-010 |
| LDBAB65 | 65 | 95 | 180 | 145 | 109 | 341 | 320 | 4-Ф16 | LDE-015 |
| LDBAB80 | 80 | 120 | 195 | 160 | 119 | 397 | 355 | 8-Ф16 | LDE-020 |
| LDBAB100 | 100 | 145 | 215 | 180 | 130 | 508 | 355 | 8-Ф16 | LDE-030 |
| GB阀体尺寸(mm)配LDX电动执行器 | |||||||||
| 规格型号 | DN | L | D | D1 | H | H1 | L1 | Z-ФD | E-电动头 |
| LDBAB20 | 20 | 37 | 105 | 75 | 53 | 175 | 165 | 4-Ф12 | LDX-005 |
| LDBAB25 | 25 | 45 | 115 | 85 | 65 | 187 | 165 | 4-Ф12 | LDX-005 |
| LDBAB32 | 32 | 55 | 135 | 100 | 77 | 199 | 165 | 4-Ф16 | LDX-010 |
| LDBAB40 | 40 | 62 | 145 | 110 | 85 | 207 | 165 | 4-Ф16 | LDX-010 |
| LDBAB50 | 50 | 72 | 160 | 125 | 93 | 215 | 190 | 4-Ф16 | LDX-016 |
| LDBAB65 | 65 | 95 | 180 | 145 | 109 | 231 | 190 | 4-Ф16 | LDX-016 |
| LDBAB80 | 80 | 120 | 195 | 160 | 119 | 249 | 270 | 8-Ф16 | LDX-020 |
| LDBAB100 | 100 | 145 | 215 | 180 | 130 | 302 | 270 | 8-Ф16 | LDX-040 |
本产品适用于两位切断、调节的场合,它与执行机构的连接采用直连方式,电动执行机构内置伺服系统,电动对夹式球阀无须另配伺服放大器,输入4~20mA信号及220VAC电源即可控制运转。本产品具有连线简单,结构紧凑,尺寸小,重量轻,阻力小,动作稳定可靠等优点。
球阀与执行机构的连接采用直连方式,电动执行机构内置伺服系统,无须另配放大器,该产品与普通球阀相比,具有结构长度短,万一发生火灾时,仍然能够可靠操作并具有良好的密封性。本产品采用新一代超短法兰距球阀,球芯通道形状有矩形、V型及O型。
该系列产品具有结构紧凑、体积小、重量轻、安装方便等特点,可广泛应用在石油、化工、冶金、电钻、轻工等领域,对油、水、气及纸浆或纤维状流体进行自动调节或切断控制。
1、安装方便,ISO511安装平台
2、外观小巧,重量轻、比一般的球阀节省空间
3、防火结构设计
4、防静电结构