联系热线




| 技术参数 | 标准规范 | |
| 电压电压 AC220V、AC380V(其它特制 | 法兰标准 GB9113.1 | |
| 环境温度 -30℃~+70℃ | 检测与试验 GB/T13927-1992 | |
| 防护等级 IP67 | 设计标准 GB/T12237-1989 | |
| 阀体说明 | ||
| 公称通径 50-1600mm | ||
| 公称压力 PN0.1、PN0.6 | 功能选项 | |
| 连接方式 法兰连接 | 防 爆 型 防爆等级:dIIBT5 | |
| 阀体材质 WCB | 信号反馈 X1机械无源信号,X2有源信号 | |
| 碟板材质 WCB | 开关型 通电开到位,通电关到位。 | |
| 工作温度 | C6:-30℃~250℃ | 调节型 调节型输入4~20mA、1~5V、0~10V信号,实现球阀调节功能 |
| C7:-30℃~350℃ | 适用介质 水、空气、蒸汽、煤气、油品、乙醇、酸碱性等气体或液体 | |
| C8:-40℃~400℃ | 手动功能 电动执行器带有手动开阀、关阀功能。 | |
| C9:-40℃~450℃ | 备注 电动参数请另参考选配的电动执行器资料 | |
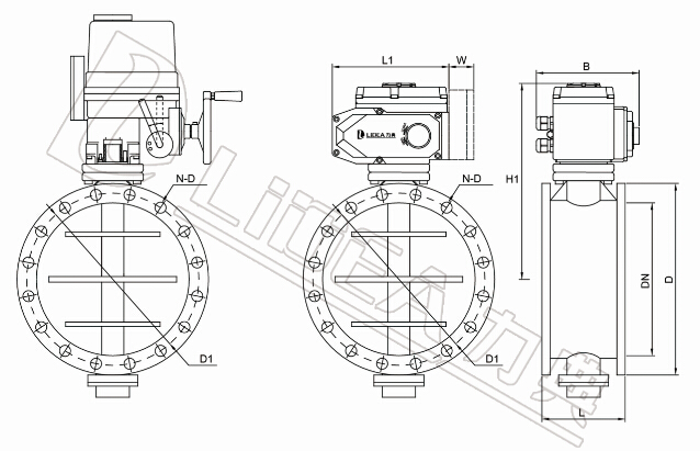
| GB阀体尺寸(mm)配LDX电动执行器 | ||||||||
| 规格型号 | DN | L | D | D1 | L1 | H1 | Z-ФD | E-电动头 |
| LDBUW50 | 50 | 100 | 140 | 110 | 165 | 235 | 4-Ф14 | LDX-005 |
| LDBUW65 | 65 | 100 | 160 | 130 | 165 | 255 | 4-Ф14 | LDX-005 |
| LDBUW80 | 80 | 100 | 190 | 150 | 165 | 275 | 4-Ф18 | LDX-005 |
| LDBUW100 | 100 | 120 | 210 | 170 | 165 | 295 | 4-Ф18 | LDX-005 |
| LDBUW125 | 125 | 120 | 240 | 200 | 190 | 330 | 8-Ф18 | LDX-010 |
| LDBUW150 | 150 | 120 | 265 | 225 | 190 | 355 | 8-Ф18 | LDX-016 |
| LDBUW200 | 200 | 140 | 320 | 280 | 190 | 410 | 8-Ф18 | LDX-016 |
| LDBUW250 | 250 | 140 | 375 | 335 | 270 | 505 | 12-Ф18 | LDX-020 |
| LDBUW300 | 300 | 170 | 440 | 395 | 270 | 565 | 12-Ф22 | LDX-020 |
| LDBUW350 | 350 | 170 | 490 | 445 | 270 | 615 | 12-Ф22 | LDX-020 |
| LDBUW400 | 400 | 190 | 540 | 495 | 270 | 665 | 16-Ф22 | LDX-040 |
| LDBUW450 | 450 | 190 | 595 | 550 | 270 | 720 | 16-Ф22 | LDX-040 |
| LDBUW500 | 500 | 190 | 645 | 600 | 270 | 770 | 20-Ф22 | LDX-060 |
| LDBUW600 | 600 | 210 | 755 | 705 | 270 | 875 | 20-Ф26 | LDX-060 |
| LDBUW700 | 700 | 210 | 860 | 810 | 270 | 980 | 24-Ф26 | LDX-100 |
| LDBUW800 | 800 | 210 | 975 | 920 | 270 | 1090 | 24-Ф30 | LDX-100 |
| LDBUW900 | 900 | 250 | 1075 | 1020 | 390 | 1023 | 24-Ф30 | LDX-100 |
| LDBUW1000 | 1000 | 250 | 1175 | 1120 | 390 | 1073 | 28-Ф30 | LDX-160 |
| LDBUW1200 | 1200 | 250 | 1405 | 1340 | 390 | 1203 | 32-Ф33 | LDX-160 |
| LDBUW1400 | 1400 | 300 | 1630 | 1560 | 390 | 1910 | 36-Ф36 | LDX-200 |
| LDBUW1600 | 1600 | 300 | 1830 | 1760 | 390 | 1815 | 40-Ф36 | LDX-200 |
本产品由角形程电子式电动执行器和蝶形阀调节机构组成。采用LDX型、LDE型全电子式电动执行机构为通风蝶型阀的驱动装置。机电一体化的结构设计,具有机内同时操作和开度信号位置反馈、位置指示、手动操作等功能,功能强、性能可靠、控制精确,以AC220V或AC380V电源电压作动力,接受控制系统输入的(4-20m A或1-5VDC)电流信号或电压信号,即可控制运转,实现对工艺介质的比例调节控制或开关控制。
采用与阀体相同材料加工成密封圈,其适用温度和耐腐蚀性随阀体选材而定,公称压力<0.6MPA,其泄漏量控制在最大流通量的2%以内,应用于工业、冶金、环保等管道作通风调节介质流量之用。具有结构简单、重量轻、操作力矩小、启闭迅速、动作灵活、流通能力大、调节精度高等特点。适用与烟气、粉尘、空气或含有悬浮颗粒的流体及浓浊、浆状流体的调节与控制。