联系热线




| 阀体参数 | 技术参数 | |
| 公称通径 50-600mm | 电源电压 AC220V、AC380V(其它特制) | |
| 公称压力 PN10、PN16、PN25 | 环境温度 -30℃~+70℃ | |
| 连接方式 对夹连接 | 防护等级 IP67 | |
| 阀体材质 WCB、SS304、SS316、SS316L | ||
| 碟板材质 WCB、SS304、SS316、SS316L | ||
| 密封材料 Y(多层或混合硬密封)、S(不锈钢 | ||
| 金属密封) | 功能选项 | |
| 工作温度 | C7:-30℃~350℃ | 防 爆 型 防爆等级:dIIBT5 |
| C8:-40℃~400℃ | 信号反馈 X1机械无源信号,X2有源信号 | |
| C9:-40℃~450℃ | 带加热器 带加热器 可在潮湿环境干燥执行器内元件 | |
| 标准规范 | 手动功能 手动功能 电动执行器带有手动开阀、关阀功能 | |
| 法兰标准 GB9113、GB9115 | 开关型 通电开到位,通电关到位。 | |
| 检测与试验 GB/T13927-1992、B/T9092-1999 | 调节型 调节型输入4~20mA、1~5V、0~10V信号,实现球阀调节功能 | |
| 设计标准 JB-T8527-1997 | 适用介质 蒸汽、油品、浆料、酸碱性等气体或液体 | |
| 结构长度标准 GB/T12221 | 备注 电动参数请另参考选配的电动执行器资料 | |

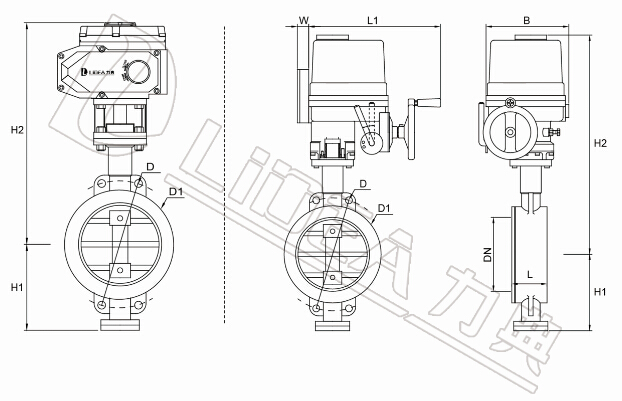
| GB阀体尺寸(mm)配LDE电动执行器 | ||||||||
| 规格型号 | DN | L | D | D1 | H1 | H2 | Z-ФD | E-电动头 |
| LDBUBH50 | 50 | 43 | 125 | 82 | 85 | 323 | 4-Ф18 | LDE-010 |
| LDBUBH65 | 65 | 48 | 145 | 95 | 90 | 423 | 4-Ф18 | LDE-010 |
| LDBUBH80 | 80 | 48 | 160 | 108 | 100 | 428 | 4-Ф18 | LDE-015 |
| LDBUBH100 | 100 | 54 | 180 | 125 | 120 | 446 | 4-Ф18 | LDE-020 |
| LDBUBH125 | 125 | 56 | 210 | 138 | 130 | 466 | 4-Ф18 | LDE-030 |
| LDBUBH150 | 150 | 57 | 240 | 198 | 160 | 496 | 4-Ф22 | LDE-040 |
| LDBUBH200 | 200 | 64 | 295 | 236 | 210 | 506 | 4-Ф22 | LDE-060 |
| LDBUBH250 | 250 | 71 | 350 | 276 | 250 | 586 | 4-Ф22 | LDE-080 |
| LDBUBH300 | 300 | 81 | 400 | 300 | 250 | 601 | 4-Ф22 | LDE-120 |
| LDBUBH350 | 350 | 92 | 460 | 332 | 320 | 636 | 4-Ф22 | LDE-200 |
| LDBUBH400 | 400 | 102 | 515 | 366 | 350 | 676 | 4-Ф26 | LDE-200 |
| GB阀体尺寸(mm)配LDX电动执行器 | ||||||||
| 规格型号 | DN | L | D | D1 | H1 | H2 | Z-ФD | E-电动头 |
| LDBUBH50 | 50 | 43 | 125 | 82 | 85 | 215 | 4-Ф16 | LDX-005 |
| LDBUBH65 | 65 | 48 | 145 | 95 | 90 | 280 | 4-Ф16 | LDX-010 |
| LDBUBH80 | 80 | 48 | 160 | 108 | 100 | 285 | 8-Ф16 | LDX-016 |
| LDBUBH100 | 100 | 54 | 180 | 125 | 120 | 310 | 8-Ф16 | LDX-020 |
| LDBUBH125 | 125 | 56 | 210 | 138 | 130 | 310 | 8-Ф16 | LDX-020 |
| LDBUBH150 | 150 | 57 | 240 | 198 | 160 | 315 | 8-Ф16 | LDX-040 |
| LDBUBH200 | 200 | 64 | 295 | 236 | 210 | 380 | 8-Ф16 | LDX-060 |
| LDBUBH250 | 250 | 71 | 350 | 276 | 250 | 460 | 12-Ф20 | LDX-0100 |
| LDBUBH300 | 300 | 81 | 400 | 300 | 250 | 475 | 12-Ф20 | LDX-160 |
| LDBUBH350 | 350 | 92 | 460 | 332 | 320 | 510 | 16-Ф20 | LDX-200 |
| LDBUBH400 | 400 | 102 | 515 | 366 | 350 | 550 | 16-Ф24 | LDX-200 |
采用精密的U形弹性密封圈和三偏心多层次金属密封机构,被广泛用于介质温度≤425℃的冶金、电力、石油化工以及给排水和市政建设等工业管道上,作调节流量和截断流体适用。该阀采用三偏心结构,阀座与碟板密封面均采用铸钢和不锈钢制作,具有良好的腐蚀性,使用寿命长,本阀均有双向密封功能,产品符合国家GB/T13927-92阀门压力试验标准。
1、本阀采用三偏心密封结构,阀座与碟板几乎无磨损,具有越管越紧的密封功能。
2、密封圈选用不锈钢制作,具有金属硬密封和弹性密封的双重优点,无论在低温和高温的情况下,均具有优良的密封性能,具有耐腐蚀,使用寿命长等特点。
3、碟板密封采用堆焊钴基硬质合金,密封面耐磨损,使用寿命长。
4、本阀具有双向密封功能,安装时不受节制流向的限制,也不受空间位置的影响,可在任何方向安装。
5、驱动装置可以多工位(旋转90°或180°)安装,便于用户使用。