联系热线




| WCB、PTFE、PFA | ||
| 密封材料 PTFE | 功能选项 | |
| 工作温度 | C2:-20℃~80℃ | 防 爆 型 防爆等级:dIIBT5 |
| C8:-30℃~150℃ | 信号反馈 X1机械无源信号,X2有源信号 | |
| 标准规范 | 手动功能 手动功能 电动执行器带有手动开阀、关阀功能 | |
| 法兰标准 GB9113-2000、GB17241.6-1998 | 开关型 通电开到位,通电关到位。 | |
| 检测与试验 GB/T13927-1992 | 调节型 调节型输入4~20mA、1~5V、0~10V信号,实现球阀调节功能 | |
| 设计标准 GB12238-89 | 适用介质 强酸、强碱、气体或液体 | |
| 结构长度标准 GB/T12221、GB12221-89 | 备注 电动参数请另参考选配的电动执行器资料 | |

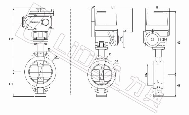
| GB阀体尺寸(mm)配LDE电动执行器 | ||||||||
| 规格型号 | DN | L | D | D1 | H1 | H2 | Z-ФD | E-电动头 |
| LDBUAF40 | 40 | 33 | 110 | 85 | 85 | 367 | 4-Ф18 | LDE-010 |
| LDBUAF50 | 50 | 43 | 125 | 100 | 85 | 367 | 4-Ф18 | LDE-010 |
| LDBUAF65 | 65 | 46 | 145 | 120 | 93 | 381 | 4-Ф18 | LDE-010 |
| LDBUAF80 | 80 | 46 | 160 | 135 | 100 | 402 | 4-Ф18 | LDE-010 |
| LDBUAF100 | 100 | 52 | 180 | 155 | 120 | 409 | 8-Ф18 | LDE-010 |
| LDBUAF125 | 125 | 56 | 210 | 185 | 160 | 476 | 8-Ф18 | LDE-020 |
| LDBUAF150 | 150 | 56 | 240 | 210 | 245 | 495 | 8-Ф23 | LDE-010 |
| LDBUAF200 | 200 | 60 | 290 | 265 | 260 | 565 | 12-Ф27 | LDE-040 |
| LDBUAF250 | 250 | 68 | 350 | 320 | 300 | 616 | 12-Ф27 | LDE-060 |
| LDBUAF300 | 300 | 78 | 400 | 370 | 32 | 655 | 12-Ф27 | LDE-120 |
| LDBUAF350 | 350 | 78 | 460 | 430 | 330 | 715 | 16-Ф27 | LDE-120 |
| LDBUAF400 | 400 | 102 | 515 | 480 | 438 | 760 | 16-Ф30 | LDE-200 |
| GB阀体尺寸(mm)配LDX电动执行器 | ||||||||
| 规格型号 | DN | L | D | D1 | H1 | H2 | Z-ФD | E-电动头 |
| LDBUAF40 | 40 | 33 | 110 | 85 | 85 | 258 | 4-Ф18 | LDX-005 |
| LDBUAF50 | 50 | 43 | 125 | 100 | 85 | 258 | 4-Ф18 | LDX-005 |
| LDBUAF65 | 65 | 46 | 145 | 120 | 93 | 271 | 4-Ф18 | LDX-005 |
| LDBUAF80 | 80 | 46 | 160 | 135 | 100 | 292 | 4-Ф18 | LDX-010 |
| LDBUAF100 | 100 | 52 | 180 | 155 | 120 | 299 | 8-Ф18 | LDX-010 |
| LDBUAF125 | 125 | 56 | 210 | 185 | 160 | 320 | 8-Ф18 | LDX-016 |
| LDBUAF150 | 150 | 56 | 240 | 210 | 245 | 390 | 8-Ф23 | LDX-020 |
| LDBUAF200 | 200 | 60 | 290 | 265 | 260 | 440 | 12-Ф27 | LDX-040 |
| LDBUAF250 | 250 | 68 | 350 | 320 | 300 | 490 | 12-Ф27 | LDX-060 |
| LDBUAF300 | 300 | 78 | 400 | 370 | 32 | 662 | 12-Ф27 | LDX-100 |
| LDBUAF350 | 350 | 78 | 460 | 430 | 330 | 722 | 16-Ф27 | LDX-160 |
| LDBUAF400 | 400 | 102 | 515 | 480 | 438 | 770 | 16-Ф30 | LDX-200 |
电动对夹衬氟蝶阀有开关型和智能型二种,蝶阀与JL电动执行机构配套,输入控制信号(4~20mADC或1~5VDC)及单向电源即可控制运转,具有功能强、体积小、轻便、性能可靠、配套简单、流通能力大,特别适合于介质是粘稠、含颗粒、纤维性质的使用场合。
目前该阀门广泛应用于食品、环保、轻工、石油、造纸、化工、教学和科研设备、电力等行业的工业自动控制系统中。
1、本阀采用双偏心结构,具有越管越紧的密封功能,密封性能可靠。
2、密封副材料选用不锈钢和丁晴耐油橡胶配对,受用寿命长。
3、四氟密封即可位于阀体上,也可位于碟板上,可适用不同特点的介质,供用户选择。
4、碟板采用框架结构,强度高,过流面积大,流阻小。
5、整体烤漆、能有效地防止锈蚀且只要更换密封阀座密封材料,就可适用不同介质。
6、本阀具有双向密封功能,安装时不受介质流向的控制,也不受空间位置的影响,可在任何方向安装。
7、本阀结构独特,操作灵活,省力,方便。