联系热线






| 技术参数 | 功能选项 | |
| 电源电压 AC220V、AC380V(其它特制) | 防 爆 型 防爆等级:dIIBT5 | |
| 环境温度 -30℃~+70℃ | 信号反馈 X1机械无源信号,X2有源信号 | |
| 防护等级 IP67 | 手动功能 手动功能 电动执行器带有手动开阀、关阀功能 | |
| 阀体参数 | 开关型 通电开到位,通电关到位。 | |
| 公称通径 40-600mm | 调节型 调节型输入4~20mA、1~5V、0~10V信号,实现球阀调节功能 | |
| 公称压力 PN10 | 适用介质 水、空气、煤气、油品、乙醇、酸碱性等气体或液体 | |
| 连接方式 对夹连接 | 带加热器 可在潮湿环境干燥执行器内元件 | |
| 阀体材质 UPVC | 备注 电动参数请另参考选配的电动执行器资料 | |
| 碟板材质 UPVC | ||
| 密封材料 EPDM、MBR | ||
| 工作温度 | C1:-10℃~55℃ | |


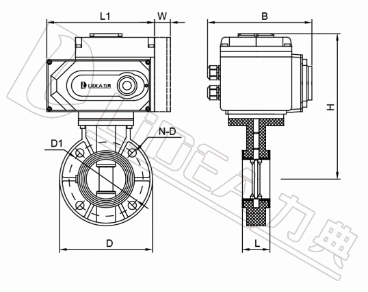
| GB阀体尺寸(mm)配LDE电动执行器 | |||||||||
| 规格型号 | DN | L | D | D1 | H | B | L1 | Z-ФD | E-电动头 |
| LDBUL40 | 40 | 39 | 150 | 110 | 380 | 220 | 320 | 4-Ф18 | LDE-010 |
| LDBUL50 | 50 | 40 | 160 | 125 | 395 | 220 | 320 | 4-Ф18 | LDE-010 |
| LDBUL65 | 65 | 46 | 185 | 145 | 415 | 220 | 320 | 4-Ф18 | LDE-010 |
| LDBUL80 | 80 | 46 | 195 | 160 | 430 | 220 | 320 | 8-Ф18 | LDE-010 |
| LDBUL100 | 100 | 54 | 215 | 180 | 450 | 220 | 320 | 8-Ф18 | LDE-010 |
| LDBUL125 | 125 | 70 | 250 | 210 | 480 | 220 | 320 | 8-Ф18 | LDE-010 |
| LDBUL150 | 150 | 74 | 285 | 240 | 515 | 250 | 355 | 8-Ф22 | LDE-020 |
| LDBUL200 | 200 | 87 | 340 | 295 | 570 | 250 | 355 | 8-Ф22 | LDE-020 |
| LDBUL250 | 250 | 114 | 395 | 350 | 665 | 290 | 375 | 12-Ф22 | LDE-030 |
| LDBUL300 | 300 | 114 | 445 | 400 | 715 | 290 | 375 | 12-Ф22 | LDE-030 |
| LDBUL350 | 350 | 127 | 505 | 460 | 775 | 290 | 375 | 16-Ф22 | LDE-030 |
| LDBUL400 | 400 | 140 | 580 | 515 | 875 | 330 | 400 | 16-Ф22 | LDE-040 |
| LDBUL450 | 450 | 152 | 615 | 565 | 925 | 330 | 400 | 20-Ф26 | LDE-040 |
| LDBUL500 | 500 | 152 | 670 | 620 | 980 | 330 | 400 | 20-Ф26 | LDE-040 |
| LDBUL600 | 600 | 178 | 780 | 725 | 1085 | 330 | 400 | 20-Ф30 | LDE-040 |
| GB阀体尺寸(mm)配LDX电动执行器 | |||||||||
| 规格型号 | DN | L | D | D1 | H | B | L1 | Z-ФD | E-电动头 |
| LDBUL40 | 40 | 39 | 150 | 110 | 235 | 150 | 165 | 4-Ф18 | LDX-005 |
| LDBUL50 | 50 | 40 | 160 | 125 | 250 | 150 | 165 | 4-Ф18 | LDX-005 |
| LDBUL65 | 65 | 46 | 185 | 145 | 270 | 150 | 165 | 4-Ф18 | LDX-005 |
| LDBUL80 | 80 | 46 | 195 | 160 | 285 | 150 | 165 | 8-Ф18 | LDX-005 |
| LDBUL100 | 100 | 54 | 215 | 180 | 310 | 170 | 190 | 8-Ф18 | LDX-010 |
| LDBUL125 | 125 | 70 | 250 | 210 | 340 | 170 | 190 | 8-Ф18 | LDX-016 |
| LDBUL150 | 150 | 74 | 285 | 240 | 370 | 220 | 190 | 8-Ф22 | LDX-016 |
| LDBUL200 | 200 | 87 | 340 | 295 | 465 | 220 | 270 | 8-Ф22 | LDX-020 |
| LDBUL250 | 250 | 114 | 395 | 350 | 520 | 220 | 270 | 12-Ф22 | LDX-040 |
| LDBUL300 | 300 | 114 | 445 | 400 | 570 | 220 | 270 | 12-Ф22 | LDX-060 |
| LDBUL350 | 350 | 127 | 505 | 460 | 630 | 220 | 270 | 16-Ф22 | LDX-100 |
| LDBUL400 | 400 | 140 | 580 | 515 | 685 | 220 | 270 | 16-Ф22 | LDX-200 |
| LDBUL450 | 450 | 152 | 615 | 565 | 735 | 220 | 270 | 20-Ф26 | LDX-200 |
| LDBUL500 | 500 | 152 | 670 | 620 | 790 | 220 | 270 | 20-Ф26 | LDX-200 |
| LDBUL600 | 600 | 178 | 780 | 725 | 895 | 220 | 270 | 20-Ф30 | LDX-200 |
本产品重量轻、耐腐蚀性强,被应用于多个领域,如一般纯水和生饮水的管路系统、排水和污水管路系统、盐水和海水管路系统、酸碱和化学溶液系统等多个行业,品质得到广大用户的认可。
1、适用温度范围广:-40℃~+95℃
2、具有极佳的强度和韧性;
3、具有优良的耐化学腐蚀性能;
4、阻燃性能为自熄性;
5、低热传导性,约为刚才的1/200;
6、介质中重离子含量达超纯水标准;
7、卫生指标符合国家卫生标准要求
8、管壁平洁光滑,输送流体时具有较小的摩擦阻力和附着力
9、重量轻,相当于钢管1/5,铜管的1/6;
10、安装方便,可采用法兰、螺纹双由令等方式连接;
11、优异的耐老化和抗紫外线性能,使正常使用寿命比其 它管道系统有很大的延长;