联系热线




| 阀体参数 | 技术参数 | |
| 公称通径 15-100mm | 电压电压 AC220V、AC380V(其它特制 | |
| 公称压力 PN10、 PN16、PN25 | 环境温度 -30℃~+70℃ | |
| 连接方式 法兰连接 | 防护等级 IP67 | |
| 阀体材质 WCB、SS304、SS316、SS316L | ||
| 碟板材质 WCB、SS304、SS316、SS316L | 功能选项 | |
| 密封材料 PTFE、合金密封 | 防 爆 型 防爆等级:dIIBT5 | |
| 工作温度 | C6:-30℃~250℃ | 信号反馈 X1机械无源信号,X2有源信号 |
| C7:-30℃~350℃ | 手动功能 手动功能 电动执行器带有手动开阀、关阀功能 | |
| C8:-40℃~400℃ | 开关型 通电开到位,通电关到位。 | |
| C9:-40℃~450℃ | 调节型 调节型输入4~20mA、1~5V、0~10V信号,实现球阀调节功能 | |
| 适用介质 水、空气、蒸汽、煤气、油品、乙醇、酸碱性等气体或液体 | ||
| 标准规范 | 备注 电动参数请另参考选配的电动执行器资料 | |
| 法兰标准 GB9113.1 | ||
| 检测与试验 GB/T13927-1992 | 设计标准 GB/T12237-1989 | |

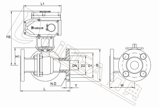
| GB阀体尺寸(mm)配LDE电动执行器 | ||||||||||
| 规格型号 | DN | L | D | D1 | D2 | H1 | H2 | W | Z-ФD | E-电动头 |
| LDBAD15 | 15 | 150 | 95 | 65 | 45 | 65 | 297 | 75 | 4-Ф14 | LDE-010 |
| LDBAD20 | 20 | 160 | 105 | 75 | 55 | 80 | 312 | 80 | 4-Ф14 | LDE-010 |
| LDBAD25 | 25 | 180 | 115 | 85 | 65 | 90 | 322 | 90 | 4-Ф14 | LDE-010 |
| LDBAD32 | 32 | 200 | 135 | 100 | 78 | 115 | 347 | 100 | 4-Ф18 | LDE-010 |
| LDBAD40 | 40 | 220 | 145 | 110 | 85 | 125 | 357 | 110 | 4-Ф18 | LDE-010 |
| LDBAD50 | 50 | 240 | 160 | 125 | 100 | 155 | 434 | 120 | 4-Ф18 | LDE-015 |
| LDBAD65 | 65 | 260 | 180 | 145 | 120 | 165 | 454 | 130 | 4-Ф18 | LDE-015 |
| LDBAD80 | 80 | 280 | 195 | 160 | 135 | 187 | 465 | 140 | 8-Ф18 | LDE-020 |
| LDBAD100 | 100 | 320 | 215 | 180 | 155 | 215 | 513 | 160 | 8-Ф18 | LDE-030 |
| GB阀体尺寸(mm)配LDX电动执行器 | ||||||||||
| 规格型号 | DN | L | D | D1 | D2 | H1 | H2 | W | Z-ФD | E-电动头 |
| LDBAD15 | 15 | 150 | 95 | 65 | 45 | 65 | 188 | 75 | 4-Ф14 | LDX-005 |
| LDBAD20 | 20 | 160 | 105 | 75 | 55 | 80 | 202 | 80 | 4-Ф14 | LDX-005 |
| LDBAD25 | 25 | 180 | 115 | 85 | 65 | 90 | 212 | 90 | 4-Ф14 | LDX-010 |
| LDBAD32 | 32 | 200 | 135 | 100 | 78 | 115 | 238 | 100 | 4-Ф18 | LDX-010 |
| LDBAD40 | 40 | 220 | 145 | 110 | 85 | 125 | 248 | 110 | 4-Ф18 | LDX-016 |
| LDBAD50 | 50 | 240 | 160 | 125 | 100 | 155 | 278 | 120 | 4-Ф18 | LDX-016 |
| LDBAD65 | 65 | 260 | 180 | 145 | 120 | 165 | 288 | 130 | 4-Ф18 | LDX-016 |
| LDBAD80 | 80 | 280 | 195 | 160 | 135 | 187 | 359 | 140 | 8-Ф18 | LDX-020 |
| LDBAD100 | 100 | 320 | 215 | 180 | 155 | 215 | 488 | 160 | 8-Ф18 | LDX-040 |
本产品采用回转式角形程电动执行机构,以AC220V、AC380V或DC24V电源电压作动力,接受工业自动化仪表控制系统输入的(4-20mA)电流信号,即可控制运转,实现对工艺介质的比例调节或二位切换控制,三通球阀是综合国内外先进技术而开发的新型三通切换调节阀。标准球芯有L型三通和T型三通两种,改变球芯与管道的相对角度。可以对三支管道流体实现不同的组合控制;T型孔道可起配比作用,适用于液体、气体、蒸汽等介质的配比调节与控制。
1、三通球阀有两座和四座密封结构,阀芯孔道有L型和T型两种结构形式,采用控制阀芯旋转角度,改变球阀孔道与管道口的连接状态,纤维颗粒状的流体,也适用于密封要求较严格的场合。
2、两阀座密封三通球阀具有结构紧凑、外形美观、密封性能好,它能实现对管道中介质流向的切换,也能使相互垂直的两个通道连接或关闭。
3、四座密封三通球阀具有造型美观、结构紧凑合理,她不仅可实现介质流向的切换,也可使三个通道相互连通。同时可关闭任何一个通道,使另外两个通道,灵活控制管路是介质的合流或分流(如流向图B)。
4、T型阀芯孔道可使三条正交的管道相互连通,起分流或合流作用;L型孔道连接相互正交的两两道,使另外一条孔道切断,起改变介质流向作用。