联系热线




| 阀体说明 | 技术参数 | |
| 公称通径 25-100mm | 电压电压 AC220V、AC380V(其它特制) | |
| 公称压力 PN10、PN16 | 环境温度 -30℃~+70℃ | |
| 连接方式 卡箍连接 | 防护等级 IP67 | |
| 阀体材质 SS304、SS316、SS316L | 功能选项 | |
| 碟板材质 SS304、SS316、SS316L | 防 爆 型 防爆等级:dIIBT5 | |
| 密封材料 硅橡胶、PTFE、EPDM | 信号反馈 X1机械无源信号,X2有源信号 | |
| 工作温度 | C6:-30℃~250℃ | 开关型 通电开到位,通电关到位。 |
| C7:-30℃~350℃ | 带加热器 可在潮湿环境干燥执行内元件。 | |
| C8:-40℃~400℃ | 调节型 调节型输入4~20mA、1~5V、0~10V信号,实现球阀调节功能 | |
| C9:-40℃~450℃ | 适用介质 蒸汽、氧气、奶制品、液体气体 | |
| 手动功能 电动执行器带有手动开阀、关阀功能。 | ||
| 备注 电动参数请另参考选配的电动执行器资料 | ||

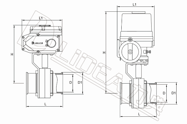
| GB阀体尺寸(mm)配LDE电动执行器 | ||||||||||
| 规格型号 | DN | 焊接式 | 卡箍式 | E-电动头 | ||||||
| L | D | D1 | L | L1 | H | D | D1 | |||
| LDBUK25 | 25 | 40 | 21.1 | 25.4 | 66 | 269.5 | 309 | 22.4 | 50.5 | LDE-010 |
| LDBUK32 | 32 | 66 | 269.5 | 309 | 28.8 | 50.5 | LDE-010 | |||
| LDBUK40 | 40 | 50 | 34.8 | 38.1 | 66 | 269.5 | 313 | 35.1 | 50.5 | LDE-010 |
| LDBUK50 | 50 | 50 | 47.5 | 50.8 | 72 | 269.5 | 320 | 47.8 | 64 | LDE-010 |
| LDBUK65 | 65 | 50 | 60.2 | 63.5 | 76 | 269.5 | 327 | 59.5 | 77.5 | LDE-010 |
| LDBUK80 | 80 | 50 | 72.9 | 76.2 | 76 | 269.5 | 337 | 72.2 | 91 | LDE-010 |
| LDBUK100 | 100 | 64 | 97.4 | 101.6 | 90 | 269.5 | 374 | 97.6 | 119 | LDE-000 |
| GB阀体尺寸(mm)配LDX电动执行器 | ||||||||||
| 规格型号 | DN | 焊接式 | 卡箍式 | E-电动头 | ||||||
| L | D | D1 | L | L1 | H | D | D1 | |||
| LDBUK25 | 25 | 40 | 21.1 | 25.4 | 66 | 188 | 190 | 22.4 | 50.5 | LDX-005 |
| LDBUK32 | 32 | 66 | 188 | 190 | 28.8 | 50.5 | LDX-005 | |||
| LDBUK40 | 40 | 50 | 34.8 | 38.1 | 66 | 188 | 194 | 35.1 | 50.5 | LDX-005 |
| LDBUK50 | 50 | 50 | 47.5 | 50.8 | 72 | 188 | 201 | 47.8 | 64 | LDX-005 |
| LDBUK65 | 65 | 50 | 60.2 | 63.5 | 76 | 188 | 208 | 59.5 | 77.5 | LDX-005 |
| LDBUK80 | 80 | 50 | 72.9 | 76.2 | 76 | 188 | 218 | 72.2 | 91 | LDX-010 |
| LDBUK100 | 100 | 64 | 97.4 | 101.6 | 90 | 188 | 255 | 97.6 | 119 | LDX-010 |