联系热线




| 阀体参数 | 技术参数 | |
| 公称通径 50-1000mm | 电源电压 AC220V、AC380V(其它特制) | |
| 公称压力 PN10、PN16、PN25 | 环境温度 -30℃~+70℃ | |
| 连接方式 对夹连接 | 防护等级 IP67 | |
| 阀体材质 WCB、SS304、SS316、SS316L | ||
| 碟板材质 WCB、SS304、SS316、SS316L | 功能选项 | |
| 密封材料 NBR、EPDM、J(衬胶) | 防 爆 型 防爆等级:dIIBT5 | |
| 工作温度 | C2:-10℃~80℃ | 信号反馈 X1机械无源信号,X2有源信号 |
| C3:-20℃~1300℃ | 带加热器 带加热器 可在潮湿环境干燥执行器内元件 | |
| 标准规范 | 手动功能 手动功能 电动执行器带有手动开阀、关阀功能 | |
| 法兰标准 GB9113、JB/T79 | 开关型 通电开到位,通电关到位。 | |
| 检测与试验 GB/T13927-1992 | 调节型 调节型输入4~20mA、1~5V、0~10V信号,实现球阀调节功能 | |
| 设计标准 JB-T8527-1997 | 适用介质 水、空气、煤气、中性气体或液体 | |
| 结构长度标准 GB/T12221 | 备注 电动参数请另参考选配的电动执行器资料 | |

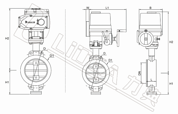
| GB阀体尺寸(mm)配LDE电动执行器 | ||||||||
| 规格型号 | DN | L | D | D1 | H1 | H2 | Z-ФD | E-电动头 |
| LDBUA40 | 40 | 43 | 125 | 94 | 63 | 456 | 4-Ф18 | LDE-010 |
| LDBUA50 | 50 | 43 | 125 | 94 | 63 | 456 | 4-Ф18 | LDE-010 |
| LDBUA65 | 65 | 46 | 145 | 112 | 70 | 464 | 4-Ф18 | LDE-010 |
| LDBUA80 | 80 | 46 | 160 | 121 | 83 | 476 | 4-Ф18 | LDE-010 |
| LDBUA100 | 100 | 52 | 180 | 153 | 105 | 495 | 8-Ф18 | LDE-010 |
| LDBUA125 | 125 | 56 | 210 | 182 | 115 | 559 | 8-Ф18 | LDE-010 |
| LDBUA150 | 150 | 56 | 240 | 209 | 137 | 579 | 8-Ф22 | LDE-020 |
| LDBUA200 | 200 | 60 | 295 | 262 | 164 | 668 | 8-Ф22 | LDE-040 |
| LDBUA250 | 250 | 68 | 350 | 319 | 206 | 700 | 12-Ф26 | LDE-060 |
| LDBUA300 | 300 | 78 | 400 | 373 | 23 | 800 | 12-Ф26 | LDE-80 |
| LDBUA350 | 350 | 78 | 460 | 405 | 248 | 805 | 16-Ф30 | LDE-120 |
| LDBUA400 | 400 | 102 | 515 | 488 | 298 | 860 | 20-Ф30 | LDE-200 |
| GB阀体尺寸(mm)配LDX电动执行器 | ||||||||
| 规格型号 | DN | L | D | D1 | H1 | H2 | Z-ФD | E-电动头 |
| LDBUA40 | 40 | 43 | 125 | 94 | 63 | 348 | 4-Ф18 | LDX-005 |
| LDBUA50 | 50 | 43 | 125 | 94 | 63 | 348 | 4-Ф18 | LDX-005 |
| LDBUA65 | 65 | 46 | 145 | 112 | 70 | 356 | 4-Ф18 | LDX-005 |
| LDBUA80 | 80 | 46 | 160 | 121 | 83 | 370 | 4-Ф18 | LDX-010 |
| LDBUA100 | 100 | 52 | 180 | 153 | 105 | 389 | 8-Ф18 | LDX-010 |
| LDBUA125 | 125 | 56 | 210 | 182 | 115 | 403 | 8-Ф18 | LDX-016 |
| LDBUA150 | 150 | 56 | 240 | 209 | 137 | 484 | 8-Ф22 | LDX-020 |
| LDBUA200 | 200 | 60 | 295 | 262 | 164 | 579 | 8-Ф22 | LDX-040 |
| LDBUA250 | 250 | 68 | 350 | 319 | 206 | 584 | 12-Ф26 | LDX-060 |
| LDBUA300 | 300 | 78 | 400 | 373 | 23 | 642 | 12-Ф26 | LDX-080 |
| LDBUA350 | 350 | 78 | 460 | 405 | 248 | 812 | 16-Ф30 | LDX-100 |
| LDBUA400 | 400 | 102 | 515 | 488 | 298 | 866 | 20-Ф30 | LDX-200 |
电动对夹软密封蝶阀是由蝶阀与JL系列执行机构配 套 ,输入控制信号(4~20mA或1~5VDC)及单相电源 控制即可运转,电动蝶阀具有功能强、体积小、轻便、 性能可靠、配套简单、流通能力大。电动蝶阀特别适合 用于介质是粘稠、含颗粒、纤维性质的场合。目前该电 动调节蝶阀广泛应用于食品、环保、轻工、石油、造纸 、化工、教学和科研设备、电力等行业的工业自动控制 系统中