联系热线




技术参数 | ||
公称压力 PN1.6,2.5 ,4.0,6.4MPa | 阀体材质 WCB、CF8、CF8M、Ti、Ni | |
试压能力 PT2.4,3.8,6.0,9.6MPa | 适用介质 | Q41F-(16-64)C 水、油品、气 |
低压密封试压能力 0.6MPa | Q41F-(16-64)P 硝酸类 | |
适用温度 -40℃~180℃ | Q41F-(16-64)R 醋酸类 | |

零件结构材质表 | ||||
序号 | 零件名称 | Q41F-(16-64)C | Q41F-(16-64)P | Q41F-(16-64)R |
1 | 阀体 | WCB | ZG1Cr18Ni9Ti(CF8) | ZG1Cr18Ni12Mo2Ti(CF8M) |
2 | 阀盖 | WCB | ZG1Cr18Ni9Ti(CF8) | ZG1Cr18Ni12Mo2Ti(CF8M) |
3 | 球体 | 1Cr18Ni9Ti(304) | 1Cr18Ni9Ti(304) | 1Cr18Ni12Mo2Ti(316) |
4 | 阀杆 | 1Cr18Ni9Ti(304) | 1Cr18Ni9Ti(304) | 1Cr18Ni12Mo2Ti(316) |
5 | 密封圈 | 聚四氟乙烯(PTFE) | ||
6 | 填料 | 聚四氟乙烯(PTFE) | ||
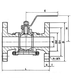
主要外形连接尺寸(PN16) | ||||||||||
型号 | DN | d | W | H | L | D | K | D1 | C | N-Φ |
Q41F-15 | 15 | 15 | 125 | 75 | 130 | 95 | 65 | 45 | 14 | 4-14 |
Q41F-20 | 20 | 20 | 140 | 80 | 150 | 105 | 75 | 58 | 16 | 4-14 |
Q41F-25 | 25 | 25 | 140 | 85 | 160 | 115 | 85 | 68 | 16 | 4-14 |
Q41F-32 | 32 | 32 | 170 | 100 | 180 | 140 | 100 | 78 | 16 | 4-18 |
Q41F-40 | 40 | 38 | 200 | 110 | 200 | 150 | 110 | 88 | 16 | 4-18 |
Q41F-50 | 50 | 50 | 220 | 120 | 230 | 165 | 125 | 102 | 18 | 4-18 |
Q41F-65 | 65 | 65 | 280 | 130 | 250 | 185 | 145 | 122 | 18 | 8-18 |
Q41F-80 | 80 | 78 | 300 | 140 | 280 | 200 | 160 | 138 | 20 | 8-18 |
Q41F-100 | 100 | 100 | 340 | 160 | 320 | 220 | 180 | 158 | 20 | 8-22 |
主要外形连接尺寸(PN40) | ||||||||||
型号 | DN | d | W | H | L | D | K | D1 | C | N-Φ |
Q41F-15 | 15 | 15 | 125 | 75 | 130 | 95 | 65 | 45 | 16 | 4-14 |
Q41F-20 | 20 | 20 | 140 | 80 | 150 | 1054 | 75 | 58 | 18 | 4-14 |
Q41F-25 | 25 | 25 | 140 | 85 | 160 | 115 | 85 | 68 | 18 | 4-14 |
Q41F-32 | 32 | 32 | 170 | 100 | 180 | 140 | 100 | 78 | 18 | 4-18 |
Q41F-40 | 40 | 38 | 200 | 110 | 200 | 150 | 110 | 88 | 18 | 4-18 |
Q41F-50 | 50 | 50 | 220 | 120 | 230 | 165 | 125 | 102 | 20 | 4-18 |
Q41F-65 | 65 | 65 | 280 | 130 | 250 | 185 | 145 | 122 | 22 | 8-18 |
Q41F-80 | 80 | 78 | 300 | 140 | 280 | 200 | 160 | 138 | 24 | 8-18 |
Q41F-100 | 100 | 100 | 340 | 160 | 320 | 235 | 190 | 162 | 24 | 8-22 |
主要外形连接尺寸(PN64) | ||||||||||
型号 | DN | d | W | H | L | D | K | D1 | C | N-Φ |
Q41F-15 | 15 | 15 | 125 | 75 | 130 | 89 | 60.5 | 35 | 11 | 4-15 |
Q41F-20 | 20 | 20 | 140 | 80 | 150 | 98 | 70 | 43 | 12 | 4-15 |
Q41F-25 | 25 | 25 | 140 | 85 | 160 | 108 | 79.5 | 51 | 13 | 4-15 |
Q41F-32 | 32 | 32 | 170 | 100 | 180 | 117 | 89 | 64 | 13 | 4-15 |
Q41F-40 | 40 | 38 | 200 | 110 | 200 | 127 | 98.5 | 73 | 15 | 4-15 |
Q41F-50 | 50 | 50 | 220 | 120 | 230 | 152 | 120.5 | 92 | 16 | 4-19 |
Q41F-65 | 65 | 65 | 280 | 130 | 250 | 178 | 139.5 | 105 | 18 | 4-19 |
Q41F-80 | 80 | 78 | 300 | 140 | 280 | 190 | 152.5 | 127 | 20 | 4-19 |
Q41F-100 | 100 | 100 | 340 | 160 | 320 | 229 | 190.5 | 157 | 24 | 4-19 |