联系热线




技术参数 | ||
公称压力 PN1.6,2.5 ,4.0,6.4MPa | 阀体材质 WCB、CF8、CF8M、Ti、Ni | |
试压能力 PT2.4,3.8,6.0,9.6MPa | 适用介质 | Q41F-(16-64)C 水、油品、气 |
低压密封试压能力 0.6MPa | Q41F-(16-64)P 硝酸类 | |
适用温度 -40℃~180℃ | Q41F-(16-64)R 醋酸类 | |

零件结构材质表 | ||||
序号 | 零件名称 | Q41F-(16-64)C | Q41F-(16-64)P | Q41F-(16-64)R |
1 | 阀体 | WCB | ZG1Cr18Ni9Ti(CF8) | ZG1Cr18Ni12Mo2Ti(CF8M) |
2 | 阀盖 | WCB | ZG1Cr18Ni9Ti(CF8) | ZG1Cr18Ni12Mo2Ti(CF8M) |
3 | 球体 | 1Cr18Ni9Ti(304) | 1Cr18Ni9Ti(304) | 1Cr18Ni12Mo2Ti(316) |
4 | 阀杆 | 1Cr18Ni9Ti(304) | 1Cr18Ni9Ti(304) | 1Cr18Ni12Mo2Ti(316) |
5 | 密封圈 | 聚四氟乙烯(PTFE) | ||
6 | 填料 | 聚四氟乙烯(PTFE) | ||
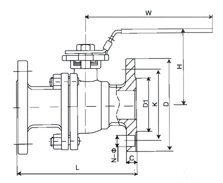
主要外形连接尺寸(PN16) | |||||||||
型号 | DN | L | H | W | D | K | D1 | C | N-Φ |
Q41F-15 | 15 | 130 | 76 | 130 | 95 | 65 | 45 | 14 | 4-14 |
Q41F-20 | 20 | 140/130 | 83 | 130 | 105 | 75 | 55 | 14 | 4-14 |
Q41F-25 | 25 | 150/140 | 86 | 130 | 115 | 85 | 65 | 14 | 4-14 |
Q41F-32 | 32 | 165 | 94 | 160 | 135 | 100 | 78 | 16 | 4-18 |
Q41F-40 | 40 | 180/165 | 108 | 200 | 145 | 110 | 85 | 16 | 4-18 |
Q41F-50 | 50 | 200/203 | 114 | 200 | 160 | 125 | 100 | 16 | 4-18 |
Q41F-65 | 65 | 220/222 | 138 | 240 | 180 | 145 | 120 | 18 | 4-18 |
Q41F-80 | 80 | 250/241 | 154 | 290 | 195 | 160 | 135 | 20 | 8-18 |
Q41F-100 | 100 | 280 | 175 | 330 | 215 | 180 | 155 | 20 | 8-18 |
Q41F-125 | 125 | 320/356 | 210 | 400 | 245 | 210 | 185 | 22 | 8-18 |
Q41F-150 | 150 | 360/394 | 232 | 520 | 280 | 240 | 210 | 24 | 8-23 |
Q41F-200 | 200 | 457 | 335 | 295 | 265 | 26 | 12-23 | ||
Q41F-250 | 250 | 533 | 405 | 355 | 320 | 30 | 12-25 | ||
Q41F-300 | 300 | 610 | 460 | 410 | 375 | 30 | 12-25 | ||
力典阀门从事于阀门制造行业二十余年,一路从风雨中走来,经历过市场的不断变化,不断走向繁华,到如今的集团公司,实为市场之选择,顾客之选择。有需要咨询阀门的直接拨打我们的400-0458588客服专线,会有专门的客服人员为您选型报价。