联系热线




技术参数 | ||
公称压力 PN16 | 环境温度 -20℃~+80℃ | |
密封材料 NBR、EPDM、PTFE | 工作温度 | C1:-10℃~60℃ |
连接方式 对夹式 | C2:-20℃~80℃ | |
阀体材质 WCB、SS304、SS316、SS316L | C3:-20℃~120℃ | |
阀板材质 铸铁、WCB、SS304、SS316、SS316L | C4:-40℃~150℃ | |

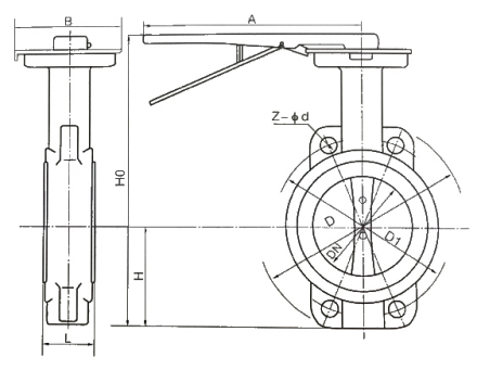
主要外形及连接尺寸 | ||||||||||||||
型号 | 通径 | ΦA | N-M | ΦB | H | H1 | G*f/K | J | H2 | ΦE | Z-Φ | ΦD | ΦD1 | ΦD2 |
D471X | 40 | 110 | 4-16 | 65/90 | 193 | 60 | 12.6*9.8/11 | 1-3 | 27 | 50/57 | 4-7.5/10 | 101 | 76 | 48 |
D471X | 50 | 125 | 4-16 | 65/60 | 193 | 60 | 12.6*9.8/11 | 1-3 | 27 | 50/57 | 4-7.5/10 | 101 | 76 | 48 |
D471X | 65 | 145 | 4-16 | 65/90 | 212 | 70 | 12.6*9.8/11 | 1-3 | 27 | 50/57 | 4-7.5/10 | 117 | 89 | 62 |
D471X | 80 | 160 | 8-16 | 65/90 | 232 | 82 | 12.6*9.8/11 | 1-3 | 27 | 50/57 | 4-7.5/10 | 127 | 103 | 77 |
D471X | 100 | 180 | 8-16 | 90 | 280 | 101 | 15.8*10/11 | 1-5 | 27 | 70 | 4-10 | 157 | 135 | 98 |
D471X | 125 | 210 | 8-16 | 90 | 302 | 117 | 18.9*13/14 | 1-5 | 27 | 70 | 4-10 | 181 | 159 | 121 |
D471X | 150 | 240 | 8-20 | 90 | 330 | 129 | 22*16/17 | 1-5 | 27 | 70 | 4-10 | 214 | 188 | 148 |
D471X | 200 | 295 | 12-20 | 120 | 419 | 166 | 28.5*22/22 | 1-5 | 40 | 102/89 | 4-12 | 266 | 238 | 200 |
D471X | 250 | 350/355 | 12-24 | 120 | 482 | 195 | 31.6*25/22 | 1-8 | 45 | 102/89 | 4-12 | 318 | 292 | 248 |
D471X | 300 | 400/410 | 12-24 | 150 | 553 | 236 | 31.6*25/22 | 1-8 | 50 | 125/108 | 4-14 | 374 | 344 | 299 |
D471X | 350 | 460/470 | 16-24 | 150 | 635 | 267 | 33.3/22 | 1-8 | 50 | 125/108 | 4-14 | 436 | 375 | 331 |
D471X | 400 | 515/525 | 16-27 | 197 | 709 | 309 | 38/27 | 1-10 | 64 | 165/159 | 4-22 | 488 | 439 | 387 |
D471X | 450 | 565/585 | 20-27 | 197 | 750 | 328 | 41/27 | 1-12 | 64 | 165/159 | 4-22 | 539 | 490 | 438 |
D471X | 500 | 620/650 | 20-30 | 197 | 840 | 360 | 50.5/36 | 1-12 | 64 | 165/159 | 4-22 | 594 | 535 | 489 |
D471X | 600 | 725/770 | 20-33 | 276 | 1021 | 459 | 60/46 | 2-16 | 70 | 165/159 | 4-22 | 824 | 653 | 590 |
D471X | 700 | 840 | 24-33 | 300 | 1140 | 520 | 60/46 | 2-18 | 82 | 254 | 8-18 | 895 | 744 | 692 |
D471X | 800 | 950 | 24-36 | 300 | 1263 | 591 | 75/55 | 2-20 | 82 | 254 | 8-18 | 1015 | 849 | 792 |
D471X | 900 | 1050 | 28-36 | 300 | 1376 | 656 | 85/55 | 2-22 | 118 | 254 | 8-18 | 1115 | 947 | 861 |
D471X | 1000 | 1160/1170 | 28-39 | 300 | 1522 | 722 | 2-25 | 148 | 254 | 8-18 | 1230 | 1053 | 961 | |