联系热线




技术参数 | ||
公称压力 PN16 | 环境温度 -20℃~+80℃ | |
密封材料 NBR、EPDM、PTFE | 工作温度 | C1:-10℃~60℃ |
连接方式 对夹式 | C2:-20℃~80℃ | |
阀体材质 WCB、SS304、SS316、SS316L | C3:-20℃~120℃ | |
阀板材质 铸铁、WCB、SS304、SS316、SS316L | C4:-40℃~150℃ | |

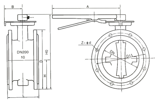
主要外形及连接尺寸 | |||||||||||||
型号 | 通径 | D1 | D | Z-Φd | H | H1 | G*f/K | J | B | E | 4-ΦF | H2 | N.m |
D441X | 50 | 125 | 165 | 4-18 | 200 | 80 | 12.6*9.8/11 | 1-3 | 65 | 50 | 4-7.5 | 27 | 22 |
D441X | 65 | 145 | 185 | 4-18 | 219 | 89 | 12.6*9.8/11 | 1-3 | 65 | 50 | 4-7.5 | 27 | 28 |
D441X | 80 | 160 | 200 | 8-18 | 240 | 95 | 12.6*9.8/11 | 1-3 | 65 | 50 | 4-7.5 | 27 | 44 |
D441X | 100 | 180 | 220 | 8-18 | 270 | 114 | 15.8*11/11 | 1-5 | 90 | 70 | 4-10 | 27 | 69 |
D441X | 125 | 210 | 250 | 8-18 | 295 | 125 | 18.9*13/14 | 1-5 | 90 | 70 | 4-10 | 27 | 114 |
D441X | 150 | 240 | 285 | 8-22 | 330 | 142 | 18.9*13/14 | 1-5 | 90 | 70 | 4-10 | 27 | 155 |
D441X | 200 | 295 | 340 | 12-22 | 375 | 170 | 22*16/17 | 1-5 | 125 | 102/89 | 4-12/14 | 45 | 282 |
D441X | 250 | 355 | 405 | 12-26 | 433 | 198 | 28.5*22/22 | 1-8 | 125 | 102/89 | 4-12/14 | 45 | 434 |
D441X | 300 | 410 | 460 | 12-26 | 503 | 223 | 31.6*25/22 | 1-8 | 125 | 108 | 4-14 | 50 | 670 |
D441X | 350 | 470 | 520 | 16-26 | 590 | 260 | 31.6*25/22 | 1-8 | 150 | 125/108 | 4-14 | 50 | 1000 |
D441X | 400 | 525 | 580 | 16-30 | 660 | 290 | 33.3/22 | 1-10 | 197 | 165/159 | 4-22 | 64 | 1664 |
D441X | 450 | 585 | 640 | 20-30 | 720 | 320 | 38/27 | 1-12 | 197 | 165/159 | 4-22 | 64 | 1890 |
D441X | 500 | 650 | 715 | 20-33 | 900 | 400 | 41/27 | 1-12 | 197 | 165/159 | 4-22 | 64 | 2440 |
D441X | 600 | 770 | 840 | 20-36 | 1027 | 457 | 50.5/36 | 2-16 | 210/276 | 165/159 | 4-22 | 70 | 3350 |
D441X | 700 | 840 | 910 | 24-36 | 1072 | 490 | 60/46 | 2-18 | 300 | 254 | 8-18 | 82 | 5600 |
D441X | 800 | 950 | 1025 | 24-39 | 1155 | 525 | 60/46 | 2-20 | 300 | 254 | 8-18 | 82 | 7300 |
D441X | 900 | 1050 | 1125 | 28-39 | 1260 | 570 | 75/55 | 2-22 | 300 | 254 | 8-18 | 118 | 10000 |
D441X | 1000 | 1170 | 1255 | 28-42 | 1390 | 645 | 85/55 | 2-25 | 300 | 254 | 8-18 | 148 | 13000 |
D441X | 1200 | 1390 | 1485 | 32-48 | 1710 | 785 | 105/75 | 2-28 | 350 | 298 | 8-22 | 160 | 20000 |