联系热线




| 阀体参数 | 技术参数 | |
| 公称通径 50-600mm | 电源电压 AC220V、AC380V(其它特制) | |
| 公称压力 PN16、PN25、PN40 | 环境温度 -30℃~+70℃ | |
| 连接方式 法兰连接 | 防护等级 IP67 | |
| 阀体材质 WCB、SS304、SS316、SS316L | ||
| 碟板材质 WCB、SS304、SS316、SS316L | 功能选项 | |
| 密封材料 Y(多层或混合硬密封)、S(不锈钢 | 防 爆 型 防爆等级:dIIBT5 | |
| 金属密封) | 信号反馈 X1机械无源信号,X2有源信号 | |
| 工作温度 | C7:-30℃~350℃ | 带加热器 带加热器 可在潮湿环境干燥执行器内元件 |
| C8:-40℃~400℃ | 手动功能 手动功能 电动执行器带有手动开阀、关阀功能 | |
| C9:-40℃~450℃ | 开关型 通电开到位,通电关到位。 | |
| 调节型 调节型输入4~20mA、1~5V、0~10V信号,实现球阀调节功能 | ||
| 标准规范 | 适用介质 蒸汽、油品、酸碱性等气体或液体 | |
| 法兰标准 GB9113、GB9113、GB9115 | 备注 电动参数请另参考选配的电动执行器资料 | |
| 检测与试验 GB/T13927-1992B/T9092-1999 | ||
| 设计标准 JB-T8527-1997 | 结构长度标准 GB/T12221 | |

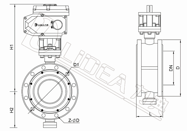
| GB阀体尺寸(mm)配LDE电动执行器 | ||||||||
| 规格型号 | DN | L | D | D1 | H1 | H2 | Z-ФD | E-电动头 |
| LDBUCH50 | 50 | 108 | 155 | 125 | 412 | 70 | 4-Ф16 | LDE-010 |
| LDBUCH65 | 65 | 112 | 175 | 145 | 425 | 76 | 4-Ф16 | LDE-010 |
| LDBUCH80 | 80 | 114 | 190 | 160 | 437 | 89 | 8-Ф16 | LDE-010 |
| LDBUCH100 | 100 | 127 | 214 | 18 | 452 | 104 | 8-Ф16 | LDE-010 |
| LDBUCH125 | 125 | 140 | 252 | 210 | 504 | 120 | 8-Ф16 | LDE-015 |
| LDBUCH150 | 150 | 140 | 282 | 240 | 521 | 132 | 8-Ф16 | LDE-020 |
| LDBUCH200 | 200 | 152 | 337 | 295 | 607 | 167 | 8-Ф16 | LDE-040 |
| LDBUCH250 | 250 | 165 | 405 | 350/355 | 686 | 202 | 12-Ф20 | LDE-060 |
| LDBUCH300 | 300 | 178 | 460 | 440/410 | 714 | 239 | 12-Ф20 | LDE-120 |
| LDBUCH350 | 350 | 190 | 524 | 460/470 | 749 | 265 | 16-Ф20 | LDE-120 |
| LDBUCH400 | 400 | 216 | 585 | 515/525 | 781 | 297 | 16-Ф24 | LDE-200 |
| GB阀体尺寸(mm)配LDX电动执行器 | ||||||||
| 规格型号 | DN | L | D | D1 | H1 | H2 | Z-ФD | E-电动头 |
| LDBUCH50 | 50 | 108 | 155 | 125 | 302 | 70 | 4-Ф16 | LDX-005 |
| LDBUCH65 | 65 | 112 | 175 | 145 | 315 | 76 | 4-Ф16 | LDX-005 |
| LDBUCH80 | 80 | 114 | 190 | 160 | 327 | 89 | 8-Ф16 | LDX-010 |
| LDBUCH100 | 100 | 127 | 214 | 18 | 342 | 104 | 8-Ф16 | LDX-010 |
| LDBUCH125 | 125 | 140 | 252 | 210 | 348 | 120 | 8-Ф16 | LDX-016 |
| LDBUCH150 | 150 | 140 | 282 | 240 | 415 | 132 | 8-Ф16 | LDX-020 |
| LDBUCH200 | 200 | 152 | 337 | 295 | 482 | 167 | 8-Ф16 | LDX-040 |
| LDBUCH250 | 250 | 165 | 405 | 350/355 | 560 | 202 | 12-Ф20 | LDX-060 |
| LDBUCH300 | 300 | 178 | 460 | 440/410 | 721 | 239 | 12-Ф20 | LDX-100 |
| LDBUCH350 | 350 | 190 | 524 | 460/470 | 756 | 265 | 16-Ф20 | LDX-160 |
| LDBUCH400 | 400 | 216 | 585 | 515/525 | 788 | 297 | 16-Ф24 | LDX-200 |
本产品是由蝶阀与LDE系列电动执行机构(可选防爆)配套,输入控制信号(4-20mA或1-5~VDC)及单相电源即可控制运转,电动蝶
阀具有功能强、体积小、轻便、性能可靠、配套简单、流通能力大等优点。它特别适合介质是粘稠、含颗粒、纤维性质的使用场合。
目前该电动调节阀蝶阀广泛应用于食品、环保、轻工、石油、造纸、教学和科研设备、电力等行业的工业自动控制系统中。
*三维偏心结构,磨损小、密封性好
*多层密封、硬密封、金属密封多种选择
*具有耐高温、耐高压、耐腐蚀想能