联系热线




| 技术参数 | |
| 气源压力 | 0.3MPA~0.7MPA(最大1.0MPA) |
| 环境温度 | 基本型: -20℃~+90℃ |
| 高温型: -20℃~+180℃ | |
| 低温型: -20℃~+90℃ | |
| 回转角度 | 90℃±5° |
| Air excuse | AW13-G1/4 |
| AW17-G3/8 | |
| AW20~AW40-G1/2 |
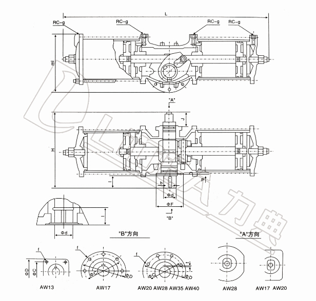
| 主要外形尺寸及连接尺寸Q644(5)(N、P、H、Y)-PN16(1.6MPA) | ||||||||||||
| 型号 | L | ml | H | ΦC | ΦD | f | Φd | I | Φf | P | b | t |
| LDAW13 | 640 | 201 | 266 | 100 | 132 | 4-M16 | 42 | 37 | 80 | 4 | 12 | 3.5 |
| LDAW17 | 827 | 270 | 348 | 160 | 190 | 8-M16 | 50 | 60 | 120 | 4 | 14 | 3.5 |
| LDAW20 | 1162 | 350 | 425 | 200 | 232 | 8-M16 | 64 | 74 | 140 | 4 | 18 | 4 |
| LDAW28 | 1380 | 460 | 527 | 280 | 318 | 8-M20 | 85 | 100 | 220 | 4 | 25 | 5 |
| LDAW35 | 1860 | 545 | 640 | 300 | 300 | 8-M24 | 105 | 100 | 300 | 10 | 28*2 | 6.4 |
| LDAW40 | 1860 | 545 | 640 | 300 | 300 | 8-M24 | 105 | 100 | 300 | 10 | 28*2 | 6.4 |
| 主要外形尺寸及连接尺寸Q644(5)(N、P、H、Y)-PN16(1.6MPA) | |||||||||||||
| 型号 | L | L1 | ml | H | ΦC | Φd | I | Φf | P | b | t | J | G |
| LDAW13S | 858 | 538 | 201 | 266 | 100 | 42 | 37 | 80 | 4 | 12 | 3.5 | 35 | 1/4 |
| LDAW17S | 1090 | 675 | 270 | 348 | 160 | 50 | 60 | 120 | 4 | 14 | 3.5 | 66 | 3/8 |
| LDAW20S | 1430 | 850 | 350 | 425 | 200 | 64 | 74 | 140 | 4 | 18 | 4 | 78 | 1/2 |
| LDAW28S | 1845 | 1155 | 460 | 527 | 280 | 85 | 100 | 220 | 4 | 25 | 5 | 84 | 1/2 |
| LDAW35S | 2605 | 1670 | 545 | 640 | 300 | 105 | 100 | 300 | 10 | 28*2 | 6.4 | - | 1/2 |
| 双作用式输出扭矩 | |||||
| 气源压力MPA | |||||
| 型号 | 0.3 | 0.4 | 0.5 | 0.6 | 0.7 |
| LDAW13 | 515 | 620 | 770 | 930 | 1080 |
| LDAW17 | 950 | 1270 | 1590 | 1910 | 2230 |
| LDAW20 | 215 | 2870 | 3580 | 4300 | 5020 |
| LDAW28 | 5150 | 6860 | 8580 | 10300 | 12020 |
| LDAW35 | 10120 | 13500 | 16870 | 20250 | 23620 |
| LDAW40 | 13220 | 17630 | 22040 | 26450 | 30860 |
| 双作用式输出扭矩 | ||||||||
| 弹簧扭矩 | 0.4 | 0.5 | 0.6 | |||||
| 型号 | 最小 | 最大 | 最小 | 最大 | 最小 | 最大 | 最小 | 最大 |
| LDAW13S | 240 | 450 | 170 | 380 | 320 | 530 | 480 | 690 |
| LDAW17S | 580 | 1230 | 240 | 690 | 360 | 1010 | 680 | 1330 |
| LDAW20S | 1250 | 2440 | 430 | 1620 | 1140 | 2330 | 1860 | 3050 |
| LDAW28S | 3290 | 6050 | 810 | 3570 | 2530 | 5290 | 4250 | 7010 |
| LDAW35S | 5860 | 10480 | 3020 | 7640 | 6390 | 11010 | 9770 | 14390 |
| LDAW40S | 7540 | 15080 | 2550 | 10090 | 6960 | 14500 | 11370 | 18910 |
| 气缸容量及重量和耗气量计算 | |||||||
| 型号 | AW13 | AW17 | AW20 | AW28 | AW35 | AW40 | |
| 气缸容量L | 双作用式A+B | 6.3 | 14.3 | 30.8 | 73 | 148 | 193 |
| 单作用式B | 3.25 | 7.15 | 15.4 | 36.5 | 74 | 96.5 | |
| 重量 | 双作用式 | 46 | 79 | 168 | 320 | 600 | 780 |
| 单作用式 | 62 | 112 | 219 | 445 | 835 | 1050 | |
气动执行器附件的功能及用途
1.双作用执行器:对阀门开启和关闭的两位式控制.
2.单作用执行器(弹簧复位):在电路、气路切断或有故障时,自动关闭阀门。
3.单电控电磁阀:供电时阀门开启或关闭,断电时阀门关闭或打开,断电时阀门关闭或打开(可提供防爆型)。
4.双电控电磁阀:一个线圈通电时阀门开启,另一个线圈通电时阀门关闭,有记忆功能(可提供防爆型)。
5.限位开关回讯器:远距离传输阀门开关信号(可提供防爆型)。
6.电气定位器:根据电流信号(4-20mA)的大小对阀门的介质流动调节控制(可提供防爆型)。
7.电气转换器:将电流信号转换成气压信号,与气动定位器配套使用(可提供防爆性)。
8.气动定位器:根据电流信号(标准0.02-0.1MPA)的大小对阀门的介质流量调节控制。
9.气源处理三联件:包括空气减压阀、过滤器、油雾气。对气源稳定、清洁及运动部件气润滑作用。
10.手操机构:自动控制在不正常情况下可以手动操作阀门的启闭。
安装使用与维修
1.气动执行器可与阀门直接连接,也可通过支架和街头与阀门安装连接。连接紧固件不得松动。
2.保证执行器输出轴与阀杆安装的同轴度,并转动灵活,无爬行现象。
3.连接管道、接头、附件等应清洁干净。
4.电磁阀排气口始终向下,当向上或水平时,应连接弯管,使排气口向下。
5.调试前应确定空气管道疏通,气压、电压、信号等符合要求。
6.压缩空气应经过过滤、干燥露点-15°C以下要除湿。
7.调节时电磁阀应开到自动位置。
8.气动操作时,应断开手动装置,手动操作时应断开气动装置。
9.执行器上安装的各种附件,应分别参照使用说明手进行调试。
10.工作正常情况下每月检查一次,每年检修一次。
AW系列气动执行器分为双作用和单作用式(弹簧复位),两个分体气缸,输出扭矩大,运作灵活平衡;活塞杆镀硬铬,有很好的耐磨性;所有滑动部件之间配有无油润滑油和导向环以降低摩擦系数,延长使用寿命,AW气动执行器的U型曲线特征输出扭矩更适用于大口径球阀、蝶阀等转角行程阀门的启、闭合调节,也可用于其他回转运动的场合,是实现工业管道自动化控制的理想装置。
选用AW气动执行器时,先确定阀门启、闭的扭矩,再根据阀门使用的流体介质,增加安全值。对清洁、润滑介质增加20%安全值;
对水蒸气或非润滑介质增加25%安全值;费润滑的干气介质增加60%安全值;非润滑气体输送的颗粒粉料介质增加100%安全值。
然后根据气源工作压力,查找双作用式或单作用式输出扭矩表,可得到精确的执行器型号。单作用式输出扭矩表中,最小弹簧扭矩即为关闭阀门时的扭矩,最大弹簧扭矩即为打开阀门时的扭矩。