联系热线





| 技术参数 | 阀体参数 | |
| 气缸形式 双作用、单作用 | 公称压力 PN16、PN25、PN40、PN64 | |
| 环境温度 -20℃~+80℃ | 连接方式 法兰式GB(特选JB、ANSI、JIS) | |
| 气源压力 双作用4~8bar,单作用5~8bar | 阀体材质 WCB、SS304、SS316、SS316L | |
| 阀板材质 SS、SS304、SS316、SS316L | ||
| 功能选项 | 密封材料 PTFE、PPL(特选:石墨、金属硬密封) | |
| 防 爆 型 防爆等级:dIIBT4 | 工作温度 | C6:-30℃~150℃ |
| 信号反馈 X1机械无源信号,X2有源信号 | C7:-30℃~250℃ | |
| 手动功能 气动阀可选手轮、手动开阀、关阀功能 | C8:-30℃~350℃ | |
| 调 节 型 输入4-20mA信号,实现球阀调节功能 | ||
| 附件选项 | ||
| 标准规范 | 回 讯 器 也叫限位开关,远程反馈开关信号 | |
| 法兰连接 GB/12221 | 电 磁 阀 双作用选两位五通,单作用选两位三通 | |
| 检测与实验 JB/T9002 | 三 联 件 可对气源稳压、过滤、气缸加润滑油 | |
| 设计标准 GB/12237 | 手轮机构 转动手轮机构,可实现手动开、关阀 | |
| 结构长度 GB/12221 | 电器定位器 输入4-20mA信号,实现球阀调节功能 | |
| 法兰连接尺寸 GB/9113、JB/T79 | 备 注 气缸参数请另参考所选配的气动执行器资料 | |

| 零件结构材质表 | |||||
| 材质 | |||||
| 序号 | 零件名称 | C | P | R | |
| 1 | 阀体 | WCB | ZG1Cr18Ni9Ti | ZG1Cr18Ni12Mo2Ti | |
| 2 | 垫片 | 柔性石墨+不锈钢 | PTFE | PTFE | |
| 3 | 螺栓 | 35 | 304 | 304 | |
| 4 | 阀瓣 | WCB+对焊304或stelite、PTFE | ZG1Cr18Ni9Ti/PTFE | ZG1Cr18Ni12Mo2Ti/PTFE | |
| 5 | 对开环 | 1Cr18Ni9Ti | 1Cr18Ni9Ti | 1Cr18Ni12Mo2Ti | |
| 6 | 阀瓣盖 | 1Cr18Ni9Ti | 1Cr18Ni9Ti | 1Cr18Ni12Mo2Ti | |
| 7 | 阀杆 | 2Cr13 | 1Cr18Ni9Ti | 1Cr18Ni12Mo2Ti | |
| 8 | 螺帽 | 35 | 304 | 304 | |
| 9 | 吊环螺栓 | 35 | 304 | 304 | |
| 10 | 阀盖 | WCB | ZG1Cr18Ni9Ti | ZG1Cr18Ni12Mo2Ti | |
| 11 | 螺栓 | 35 | 304 | 304 | |
| 12 | 垫片 | 35 | 1Cr18Ni9Ti | 1Cr18Ni12Mo2Ti | |
| 13 | 填料 | 柔性石墨 | PTFE | PTFE | |
| 14 | 填料压板 | WCB | ZG1Cr18Ni9Ti | ZG1Cr18Ni12Mo2Ti | |
| 15 | 螺帽 | 35 | 304 | 304 | |

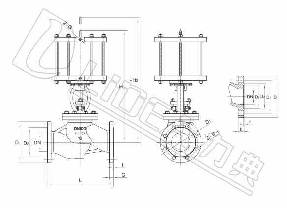
| 主要外形及连接法兰尺寸J641H(W、F、Y)-16C/P/R | |||||||||||
| 型号 | DN | L | ~H | D | D1 | D2 | C | f | N | Φd | 气源接口 |
| LDJP15 | 15 | 130 | 291 | 95 | 65 | 46 | 14 | 2 | 4 | 14 | 1/4'' |
| LDJP20 | 20 | 150 | 300 | 105 | 75 | 56 | 16 | 2 | 4 | 14 | |
| LDJP25 | 25 | 160 | 353 | 115 | 85 | 65 | 16 | 2 | 4 | 14 | |
| LDJP32 | 32 | 180 | 390 | 140 | 100 | 76 | 18 | 2 | 4 | 18 | |
| LDJP40 | 40 | 200 | 518 | 150 | 110 | 84 | 18 | 3 | 4 | 18 | |
| LDJP50 | 50 | 230 | 555 | 165 | 125 | 99 | 20 | 3 | 4 | 18 | |
| LDJP65 | 65 | 290 | 630 | 185 | 145 | 118 | 20 | 3 | 4 | 18 | |
| LDJP80 | 80 | 310 | 683 | 200 | 160 | 132 | 20 | 3 | 8 | 18 | |
| LDJP100 | 100 | 350 | 745 | 220 | 180 | 156 | 22 | 3 | 8 | 18 | 3/8'' |
| LDJP125 | 125 | 400 | 855 | 250 | 210 | 184 | 22 | 3 | 8 | 18 | |
| LDJP150 | 150 | 480 | 870 | 285 | 240 | 211 | 24 | 3 | 8 | 22 | |
| LDJP200 | 200 | 600 | 954 | 340 | 295 | 266 | 24 | 3 | 12 | 22 | |
| LDJP250 | 250 | 730 | 1065 | 405 | 355 | 319 | 26 | 3 | 12 | 26 | |
| LDJP300 | 300 | 850 | 1185 | 460 | 410 | 370 | 28 | 4 | 12 | 26 | |
| 主要外形及连接法兰尺寸J641H(W、F、Y)-25C/P/R | |||||||||||
| 型号 | DN | L | ~H | D | D1 | D2 | C | f | N | Φd | 气源接口 |
| LDJP15 | 15 | 130 | 291 | 95 | 65 | 46 | 14 | 2 | 4 | 14 | 1/4'' |
| LDJP20 | 20 | 150 | 300 | 105 | 75 | 56 | 16 | 2 | 4 | 14 | |
| LDJP25 | 25 | 160 | 353 | 115 | 85 | 65 | 16 | 2 | 4 | 14 | |
| LDJP32 | 32 | 180 | 390 | 140 | 100 | 76 | 18 | 2 | 4 | 18 | |
| LDJP40 | 40 | 200 | 518 | 150 | 110 | 84 | 18 | 3 | 4 | 18 | |
| LDJP50 | 50 | 230 | 555 | 165 | 125 | 99 | 20 | 3 | 4 | 18 | |
| LDJP65 | 65 | 290 | 630 | 185 | 145 | 118 | 22 | 3 | 8 | 18 | |
| LDJP80 | 80 | 310 | 683 | 200 | 160 | 132 | 24 | 3 | 8 | 18 | |
| LDJP100 | 100 | 350 | 745 | 235 | 190 | 156 | 24 | 3 | 8 | 22 | 3/8'' |
| LDJP125 | 125 | 400 | 855 | 270 | 220 | 184 | 26 | 3 | 8 | 26 | |
| LDJP150 | 150 | 480 | 870 | 300 | 250 | 211 | 28 | 3 | 8 | 26 | |
| LDJP200 | 200 | 600 | 954 | 360 | 310 | 274 | 30 | 3 | 12 | 26 | |
| LDJP250 | 250 | 730 | 1065 | 425 | 370 | 330 | 32 | 3 | 12 | 30 | |
| LDJP300 | 300 | 850 | 1185 | 485 | 430 | 389 | 34 | 4 | 16 | 30 | |
| 主要外形及连接法兰尺寸J641H(W、F、Y)-40C/P/R | ||||||||||||
| 型号 | DN | L | ~H | D | D1 | D2 | C | f | N | Φd | X | 气源接口 |
| LDJP15 | 15 | 130 | 305 | 95 | 65 | 46 | 14 | 2 | 4 | 14 | 4 | 1/4'' |
| LDJP20 | 20 | 150 | 316 | 105 | 75 | 56 | 16 | 2 | 4 | 14 | 4 | |
| LDJP25 | 25 | 160 | 373 | 115 | 85 | 65 | 16 | 2 | 4 | 14 | 4 | |
| LDJP32 | 32 | 180 | 416 | 140 | 100 | 76 | 18 | 2 | 4 | 18 | 4 | |
| LDJP40 | 40 | 200 | 530 | 150 | 110 | 84 | 18 | 3 | 4 | 18 | 4 | |
| LDJP50 | 50 | 230 | 575 | 165 | 125 | 99 | 20 | 3 | 4 | 18 | 4 | |
| LDJP65 | 65 | 290 | 656 | 185 | 145 | 118 | 22 | 3 | 8 | 18 | 4 | |
| LDJP80 | 80 | 310 | 713 | 200 | 160 | 132 | 24 | 3 | 8 | 18 | 4 | |
| LDJP100 | 100 | 350 | 775 | 235 | 190 | 156 | 24 | 3 | 8 | 22 | 4.5 | 3/8'' |
| LDJP125 | 125 | 400 | 892 | 270 | 220 | 184 | 26 | 3 | 8 | 26 | 4.5 | |
| LDJP150 | 150 | 480 | 940 | 300 | 250 | 211 | 28 | 3 | 8 | 26 | 4.5 | |
| LDJP200 | 200 | 600 | 1054 | 375 | 320 | 284 | 34 | 3 | 12 | 30 | 4.5 | |
| LDJP250 | 250 | 730 | 1115 | 450 | 385 | 345 | 38 | 3 | 12 | 33 | 4.5 | |
| LDJP300 | 300 | 850 | 1235 | 515 | 450 | 409 | 42 | 4 | 16 | 33 | 4.5 | |
备注:
球阀结构长度及连接法兰尺寸根据JB/T79标准或用户要求设计制作。
执行器型号***/***分别是气动执行器双作用式/单作用式(弹簧复位)。
根据不同阀门扭矩、使用介质适配的执行器型号可能有所不同,相关尺寸随之变化。
以上执行器配置及数据均采用软密封(F)阀门,硬密封阀门的配置及数据请咨询本公司。