联系热线





技术参数 | ||
公称压力 PN1.6,2.5 ,4.0,6.4MPa | 阀体材质 WCB、CF8、CF8M、Ti、Ni | |
试压能力 PT2.4,3.8,6.0,9.6MPa | 适用介质 | Q44/45F-(16-64)C 水、油品、气 |
低压密封试压能力 0.6MPa | Q44/45F-(16-64)P 硝酸类 | |
适用温度 -40℃~180℃ | Q44/45F-(16-64)R 醋酸类 | |

零件结构材质表 | ||||
序号 | 零件名称 | Q44/45F-(16-64)C | Q44/45F-(16-64)P | Q44/45F-(16-64)R |
1 | 阀体 | WCB | ZG1Cr18Ni9Ti(CF8) | ZG1Cr18Ni12Mo2Ti(CF8M) |
2 | 阀盖 | WCB | ZG1Cr18Ni9Ti(CF8) | ZG1Cr18Ni12Mo2Ti(CF8M) |
3 | 球体 | 1Cr18Ni9Ti(304) | 1Cr18Ni9Ti(304) | 1Cr18Ni12Mo2Ti(316) |
4 | 阀杆 | 1Cr18Ni9Ti(304) | 1Cr18Ni9Ti(304) | 1Cr18Ni12Mo2Ti(316) |
5 | 密封圈 | 聚四氟乙烯(PTFE) | ||
6 | 填料 | 聚四氟乙烯(PTFE) | ||

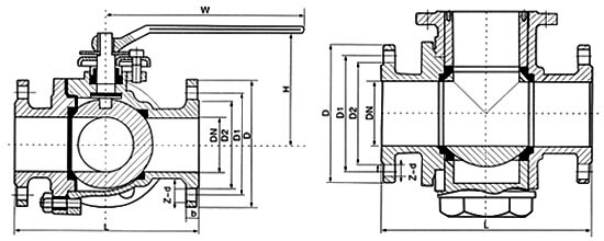
主要外形连接尺寸(PN16) | ||||||||
型号 | DN | L | D | K | D1 | C | N-Φ | H |
Q44/45F-15 | 15 | 150 | 95 | 65 | 46 | 14 | 4-14 | 95 |
Q44/45F-20 | 20 | 160 | 105 | 75 | 55 | 14 | 4-14 | 105 |
Q44/45F-25 | 25 | 180 | 115 | 85 | 65 | 14 | 4-14 | 113 |
Q44/45F-32 | 32 | 200 | 135 | 100 | 76 | 16 | 4-18 | 135 |
Q44/45F-40 | 40 | 220 | 145 | 110 | 84 | 16 | 4-18 | 142 |
Q44/45F-50 | 50 | 240 | 160 | 125 | 99 | 16 | 4-18 | 154 |
Q44/45F-65 | 65 | 260 | 180 | 145 | 118 | 16 | 4-18 | 175 |
Q44/45F-80 | 80 | 280 | 195 | 160 | 132 | 20 | 8-18 | 190 |
Q44/45F-100 | 100 | 320 | 215 | 180 | 155 | 20 | 8-18 | 225 |
Q44/45F-125 | 125 | 380 | 245 | 210 | 184 | 22 | 8-18 | 255 |
Q44/45F-150 | 150 | 440 | 280 | 240 | 210 | 24 | 8-23 | 282 |
Q44/45F-200 | 200 | 550 | 335 | 295 | 265 | 26 | 12-23 | 318 |
力典阀门从事于阀门制造行业二十余年,一路从风雨中走来,经历过市场的不断变化,不断走向繁华,到如今的集团公司,实为市场之选择,顾客之选择。有需要咨询阀门的直接拨打我们的400-0458588客服专线,会有专门的客服人员为您选型报价。