联系热线




主要零件及材料 | 衬四氟蝶阀标准 | ||
零件名称 | 材料 | 设计标准 | GB12238 |
上下阀体 | 铸铁、铸钢、不锈钢、衬F4 | 结构长度 | GB12221 |
阀 座 | F4 | 法兰标准 | JB/T79-94 |
带杆碟板 | 全衬(WCB包衬)、半衬(不锈钢) | GB9113.1-26 | |
衬 垫 | 硅橡胶 | 检验试验 | GB/T13927 |
涡轮手柄 | Qt400-15球墨铸铁、铝合金 | 驱动方式 | 涡轮、手动、电动、气动 |

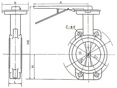
主要外形连接尺寸(PN1.0MPa) | ||||||||||||||
型号 | DN | inch | 外形尺寸 | 参考值 | ||||||||||
L | H2 | H1 | D | D1 | D2 | F | B | Z-Φd | Do | H | kg重量 | |||
D71F4-10C | 40 | 1 1/2 | 33 | 143 | 85 | 150 | 110 | 85 | 3 | 19 | 4-18 | 150 | 140 | 3.5 |
D71F4-10C | 50 | 2 | 43 | 143 | 85 | 165 | 125 | 100 | 3 | 21 | 4-18 | 150 | 140 | 4.5 |
D71F4-10C | 65 | 2 1/2 | 46 | 157 | 93 | 185 | 145 | 120 | 3 | 21 | 4-18 | 150 | 150 | 6.5 |
D71F4-10C | 80 | 3 | 46 | 178 | 100 | 200 | 160 | 135 | 3 | 21 | 8-18 | 150 | 165 | 9 |
D71F4-10C | 100 | 4 | 52 | 185 | 110 | 220 | 180 | 155 | 3 | 23 | 8-18 | 200 | 180 | 11 |
D71F4-10C | 125 | 5 | 56 | 206 | 120 | 250 | 210 | 185 | 3 | 23 | 8-18 | 200 | 200 | 19 |
D71F4-10C | 150 | 6 | 56 | 225 | 160 | 285 | 240 | 210 | 3 | 25 | 8-23 | 280 | 220 | 28 |
D71F4-10C | 200 | 8 | 60 | 275 | 245 | 340 | 295 | 265 | 3 | 25 | 8-23 | 280 | 270 | 55 |
D71F4-10C | 250 | 10 | 68 | 326 | 260 | 395 | 350 | 320 | 4 | 28 | 12-23 | 200 | 320 | 71 |
D71F4-10C | 300 | 12 | 78 | 333 | 300 | 445 | 400 | 370 | 4 | 28 | 12-23 | 240 | 330 | 90 |
D71F4-10C | 350 | 14 | 78 | 393 | 320 | 505 | 460 | 430 | 4 | 28 | 16-23 | 240 | 385 | 122 |
D71F4-10C | 400 | 16 | 102 | 438 | 330 | 565 | 515 | 480 | 4 | 28 | 16-26 | 280 | 430 | 140 |
D71F4-10C | 450 | 18 | 114 | 488 | 380 | 615 | 565 | 530 | 4 | 30 | 20-26 | 280 | 480 | 160 |
D71F4-10C | 500 | 20 | 127 | 540 | 390 | 670 | 620 | 580 | 4 | 30 | 20-26 | 320 | 540 | 200 |
D71F4-10C | 600 | 24 | 154 | 615 | 450 | 780 | 725 | 680 | 5 | 34 | 20-30 | 320 | 610 | 270 |
D71F4-10C | 700 | 28 | 165 | 660 | 480 | 895 | 840 | 795 | 5 | 36 | 24-30 | 360 | 650 | 320 |
D71F4-10C | 800 | 32 | 190 | 720 | 580 | 1015 | 950 | 900 | 5 | 38 | 24-33 | 360 | 710 | 390 |
D71F4-10C | 900 | 36 | 203 | 785 | 625 | 1115 | 1050 | 1000 | 5 | 40 | 28-33 | 380 | 780 | 455 |
D71F4-10C | 1000 | 40 | 216 | 900 | 660 | 1230 | 1160 | 1115 | 5 | 42 | 28-36 | 400 | 900 | 690 |
D71F4-10C | 1200 | 48 | 254 | 1070 | 780 | 1455 | 1380 | 1330 | 5 | 44 | 32-39 | 400 | 1050 | 830 |
主要外形连接尺寸(PN1.6MPa) | ||||||||||||||
型号 | DN | G | 外形尺寸 | 参考值 | ||||||||||
L | H2 | H1 | D | D1 | D2 | F | B | Z-Φd | Do | H | kg重量 | |||
D71F4-10C | 40 | 1 1/2 | 33 | 143 | 85 | 150 | 110 | 85 | 3 | 19 | 4-18 | 150 | 140 | 4 |
D71F4-10C | 50 | 2 | 43 | 143 | 85 | 165 | 125 | 100 | 3 | 21 | 4-18 | 150 | 140 | 5 |
D71F4-10C | 65 | 2 1/2 | 46 | 157 | 93 | 185 | 145 | 120 | 3 | 21 | 4-18 | 150 | 150 | 8 |
D71F4-10C | 80 | 3 | 46 | 178 | 100 | 200 | 160 | 135 | 3 | 22 | 8-18 | 150 | 165 | 12 |
D71F4-10C | 100 | 4 | 52 | 185 | 110 | 220 | 180 | 155 | 3 | 23 | 8-18 | 200 | 180 | 14 |
D71F4-10C | 125 | 5 | 56 | 206 | 120 | 250 | 210 | 185 | 3 | 23 | 8-18 | 200 | 200 | 22 |
D71F4-10C | 150 | 6 | 56 | 225 | 160 | 285 | 240 | 210 | 3 | 25 | 8-23 | 280 | 220 | 30 |
D71F4-10C | 200 | 8 | 60 | 275 | 245 | 340 | 295 | 265 | 3 | 25 | 12-27 | 280 | 270 | 65 |
D71F4-10C | 250 | 10 | 68 | 326 | 260 | 405 | 355 | 320 | 4 | 28 | 12-27 | 200 | 320 | 80 |
D71F4-10C | 300 | 12 | 78 | 333 | 300 | 460 | 410 | 370 | 4 | 30 | 12-27 | 240 | 330 | 95 |
D71F4-10C | 350 | 14 | 78 | 393 | 320 | 520 | 470 | 430 | 4 | 32 | 16-27 | 240 | 385 | 125 |
D71F4-10C | 400 | 16 | 102 | 438 | 330 | 580 | 525 | 480 | 4 | 34 | 16-30 | 280 | 430 | 155 |
D71F4-10C | 450 | 18 | 114 | 488 | 380 | 640 | 585 | 550 | 4 | 42 | 20-30 | 280 | 480 | 175 |
D71F4-10C | 500 | 20 | 127 | 540 | 390 | 715 | 650 | 610 | 5 | 42 | 20-33 | 320 | 540 | 230 |
D71F4-10C | 600 | 24 | 154 | 615 | 450 | 840 | 770 | 720 | 5 | 48 | 20-36 | 320 | 610 | 300 |
D71F4-10C | 700 | 28 | 165 | 660 | 480 | 910 | 840 | 759 | 5 | 48 | 24-36 | 360 | 650 | 335 |
D71F4-10C | 800 | 32 | 190 | 720 | 580 | 1025 | 950 | 900 | 5 | 48 | 24-39 | 360 | 740 | 425 |
D71F4-10C | 900 | 36 | 203 | 785 | 625 | 1125 | 1050 | 1000 | 5 | 50 | 28-39 | 380 | 780 | 500 |
D71F4-10C | 1000 | 40 | 216 | 900 | 660 | 1255 | 1170 | 1110 | 5 | 50 | 28-42 | 400 | 900 | 715 |
D71F4-10C | 1200 | 48 | 254 | 1070 | 780 | 1485 | 1390 | 1330 | 5 | 50 | 32-48 | 400 | 1050 | 860 |
备注:
机标是(JB78)时为4孔,表中尺寸为GB/9113标准、订货说明。
DN200以Do尺寸为涡轮手轮尺寸,DN200以下Do为手柄尺寸。
力典阀门从事于阀门制造行业二十余年,一路从风雨中走来,经历过市场的不断变化,不断走向繁华,到如今的集团公司,实为市场之选择,顾客之选择。有需要咨询阀门的直接拨打我们的400-0458588客服专线,会有专门的客服人员为您选型报价。