联系热线




| 技术参数 | 产品特点 |
| 产品型号 LDCWX-20P/LDCWX-20T | 1、外形美观,体积小巧,铜齿轮和PPO传动机构,性能可靠,输出扭矩大使用寿命长 |
| 额定电压 DC3-6V/DC9-24V/AC220 | 2、电气限位和机械位一体化设计,定位准确,一致性高,杜绝执行器连转; |
| 工作电流 45-100mA | 3、执行器和阀门可以多角度装配,方便于空间的分配需求; |
| 输出力矩 Q-1054NM、N-2NM | 4、球阀采用浮动密封结构,无滴漏,适用于重污垢及长期无动作的场合; |
| 适配阀门 DN8-25 | 5、替换电磁阀或电磁阀不能正常工作的环境; |
| 开关时间 0-3秒、N-2NM | 6、防护等级可达到IP65,可在相对潮湿的环境中使用。 |
| 控制模式 CR01/02/03/04/05/06 | |
| 防护等级 IP65 | 适用范围 |
| 工作压力 Max1.0MPA | 1、IC卡智能水表、热计量表,太阳能仪表 |
| 介质温度 0~100℃ | 2、中央空调风机盘管、消防喷淋; |
| 特殊功能 开关指示/快开 | 3、高校节水、自动控制系统、工业自控等小型设备; |
| 开关次数 10万次 | 4、节水器具、饮用水设备、热水器、太阳能热水器、洗衣机、工业加湿器。 |

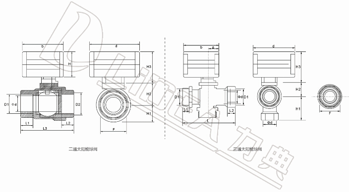
| 二通太阳能球阀外形尺寸 单位:mm | |||||||||||||
| 接口方式 | DN | D1/D2 | Фd | L1 | L2 | L3 | F | H1 | H2 | H3 | b | d | W(Kg) |
| 双内螺纹 | DN8 | G1/4 | 8 | 11 | 11 | 41 | 21 | 12 | 18 | 50 | 52 | 62 | 0.258 |
| DN15 | G1/2 | 12.5 | 11 | 11 | 53.5 | 27 | 16 | 22 | 50 | 52 | 62 | 0.342 | |
| DN20 | G3/4 | 20 | 10 | 10 | 61 | 30 | 21.5 | 21.5 | 50 | 52 | 62 | 0.33 | |
| DN25 | G1 | 25 | 16 | 18 | 73 | 38 | 25.5 | 25.5 | 50 | 52 | 62 | 0.499 | |
| 一内一外 | DN20 | G3/4 | 20 | 10 | 18 | 65 | 30 | 16.5 | 21.5 | 50 | 52 | 62 | 0.333 |
| DN25 | G1 | 25 | 14 | 15 | 91 | 38 | 20 | 24 | 50 | 52 | 62 | 0.502 | |
| 全通径 | DN20 | G3/4 | 20 | 15 | 15 | 70 | 30 | 19.5 | 25 | 50 | 52 | 62 | 0.446 |
| DN25 | G1 | 25 | 20 | 20 | 82 | 38 | 23 | 28 | 50 | 52 | 62 | 0.627 | |
| 16三通太阳能球阀外形尺寸(立式)单位:mm | |||||||||||
| 口径 | D1/D2/D3 | Фd | L1/L2/L3 | L | F | H1 | H2 | H3 | b | d | a |
| DN15 | G1/2 | 12.5 | 11 | 55 | 27 | 26 | 22 | 50 | 61.5 | 52 | |
| DN20 | G3/4 | 15 | 10 | 66 | 30 | 31.5 | 22.5 | 50 | 61.5 | 52 | |
| DN25 | G1 | 20 | 15/13/13 | 90 | 38 | 35.5 | 25.5 | 50 | 61.5 | 52 | 16 |
| 技术参数 | 产品特点 |
| 产品型号 LDCWX-20P/LDCWX-20T | 1、外形美观,体积小巧,铜齿轮和PPO传动机构,性能可靠,输出扭矩大使用寿命长 |
| 额定电压 DC3-6V/DC9-24V/AC220 | 2、电气限位和机械位一体化设计,定位准确,一致性高,杜绝执行器连转; |
| 工作电流 45-100mA | 3、执行器和阀门可以多角度装配,方便于空间的分配需求; |
| 输出力矩 Q-1054NM、N-2NM | 4、球阀采用浮动密封结构,无滴漏,适用于重污垢及长期无动作的场合; |
| 适配阀门 DN8-25 | 5、替换电磁阀或电磁阀不能正常工作的环境; |
| 开关时间 0-3秒、N-2NM | 6、防护等级可达到IP65,可在相对潮湿的环境中使用。 |
| 控制模式 CR01/02/03/04/05/06 | |
| 防护等级 IP65 | 适用范围 |
| 工作压力 Max1.0MPA | 1、IC卡智能水表、热计量表,太阳能仪表 |
| 介质温度 0~100℃ | 2、中央空调风机盘管、消防喷淋; |
| 特殊功能 开关指示/快开 | 3、高校节水、自动控制系统、工业自控等小型设备; |
| 开关次数 10万次 | 4、节水器具、饮用水设备、热水器、太阳能热水器、洗衣机、工业加湿器。 |
![]() |
| 二通太阳能球阀外形尺寸 单位:mm | |||||||||||||
| 接口方式 | DN | D1/D2 | Фd | L1 | L2 | L3 | F | H1 | H2 | H3 | b | d | W(Kg) |
| 双内螺纹 | DN8 | G1/4 | 8 | 11 | 11 | 41 | 21 | 12 | 18 | 50 | 52 | 62 | 0.258 |
| DN15 | G1/2 | 12.5 | 11 | 11 | 53.5 | 27 | 16 | 22 | 50 | 52 | 62 | 0.342 | |
| DN20 | G3/4 | 20 | 10 | 10 | 61 | 30 | 21.5 | 21.5 | 50 | 52 | 62 | 0.33 | |
| DN25 | G1 | 25 | 16 | 18 | 73 | 38 | 25.5 | 25.5 | 50 | 52 | 62 | 0.499 | |
| 一内一外 | DN20 | G3/4 | 20 | 10 | 18 | 65 | 30 | 16.5 | 21.5 | 50 | 52 | 62 | 0.333 |
| DN25 | G1 | 25 | 14 | 15 | 91 | 38 | 20 | 24 | 50 | 52 | 62 | 0.502 | |
| 全通径 | DN20 | G3/4 | 20 | 15 | 15 | 70 | 30 | 19.5 | 25 | 50 | 52 | 62 | 0.446 |
| DN25 | G1 | 25 | 20 | 20 | 82 | 38 | 23 | 28 | 50 | 52 | 62 | 0.627 | |
| 16三通太阳能球阀外形尺寸(立式)单位:mm | |||||||||||
| 口径 | D1/D2/D3 | Фd | L1/L2/L3 | L | F | H1 | H2 | H3 | b | d | a |
| DN15 | G1/2 | 12.5 | 11 | 55 | 27 | 26 | 22 | 50 | 61.5 | 52 | |
| DN20 | G3/4 | 15 | 10 | 66 | 30 | 31.5 | 22.5 | 50 | 61.5 | 52 | |
| DN25 | G1 | 20 | 15/13/13 | 90 | 38 | 35.5 | 25.5 | 50 | 61.5 | 52 | 16 |