联系热线




| 技术参数 | 标准规范 | |
| 电压电压 AC220V、AC380V(其它特制 | 法兰标准 GB9113、GB9115 | |
| 环境温度 -30℃~+70℃ | 检测与试验 GB/T13927-1992、B/T9092-1999 | |
| 防护等级 IP67 | 设计标准 JB-T8527-1997 | |
| 阀体说明 | 结构长度标准 GB/T12221 | |
| 公称通径 15-250mm | ||
| 公称压力 PN16、PN25、PN40 | 功能选项 | |
| 连接方式 对夹连接 | 防 爆 型 防爆等级:dIIBT5 | |
| 阀体材质 WCB、SS304、SS316、SS316L | 信号反馈 X1机械无源信号,X2有源信号 | |
| 碟板材质 WCB、SS304、SS316、SS316L | 开关型 通电开到位,通电关到位。 | |
| 钢金属密封) | 带加热器 可在潮湿环境干燥执行内元件。 | |
| 工作温度 | C6:-30℃~250℃ | 调节型 调节型输入4~20mA、1~5V、0~10V信号,实现球阀调节功能 |
| C7:-30℃~350℃ | 适用介质 水、空气、煤气、中性气体或液体 | |
| C8:-40℃~400℃ | 手动功能 电动执行器带有手动开阀、关阀功能。 | |
| C9:-40℃~450℃ | 备注 电动参数请另参考选配的电动执行器资料 | |

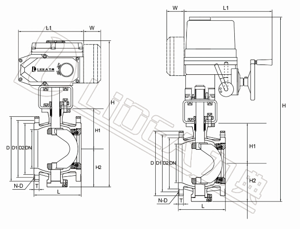
| GB阀体尺寸(mm)配LDE电动执行器 | |||||||||
| 规格型号 | DN | L | D | H | H1 | H2 | L1 | W | E-电动头 |
| LDBAAV15 | 15 | 62 | 64 | 500 | 74 | 75 | 269.5 | 136.5 | LDE-010 |
| LDBAAV20 | 20 | 62 | 64 | 500 | 74 | 75 | 269.5 | 136.5 | LDE-010 |
| LDBAAV25 | 25 | 62 | 64 | 500 | 74 | 75 | 269.5 | 136.5 | LDE-010 |
| LDBAAV32 | 32 | 62 | 78 | 526 | 80 | 75 | 269.5 | 136.5 | LDE-010 |
| LDBAAV40 | 40 | 62 | 82 | 526 | 85 | 75 | 269.5 | 136.5 | LDE-010 |
| LDBAAV50 | 50 | 75 | 100 | 579 | 87 | 95 | 346 | 140 | LDE-015 |
| LDBAAV65 | 65 | 80 | 120 | 617 | 105 | 115 | 346 | 140 | LDE-020 |
| LDBAAV80 | 80 | 100 | 131 | 637 | 115 | 125 | 358 | 140 | LDE-030 |
| LDBAAV100 | 100 | 115 | 158 | 657 | 125 | 125 | 358 | 140 | LDE-040 |
| LDBAAV125 | 125 | 130 | 180 | 744 | 140 | 155 | 358 | 140 | LDE-060 |
| LDBAAV150 | 150 | 160 | 216 | 767 | 153 | 165 | 390 | 140 | LDE-080 |
| LDBAAV200 | 200 | 200 | 268 | 844 | 200 | 195 | 390 | 140 | LDE-120 |
| LDBAAV250 | 250 | 240 | 325 | 899 | 225 | 225 | 390 | 140 | LDE-120 |
| GB阀体尺寸(mm)配LDX电动执行器 | |||||||||
| 规格型号 | DN | L | D | H | H1 | H2 | L1 | W | E-电动头 |
| LDBAAV15 | 15 | 62 | 64 | 390 | 74 | 75 | 161 | 40 | LDX-005 |
| LDBAAV20 | 20 | 62 | 64 | 390 | 74 | 75 | 161 | 40 | LDX-005 |
| LDBAAV25 | 25 | 62 | 64 | 390 | 74 | 75 | 161 | 40 | LDX-005 |
| LDBAAV32 | 32 | 62 | 78 | 400 | 80 | 75 | 188 | 40 | LDX-010 |
| LDBAAV40 | 40 | 62 | 82 | 405 | 85 | 75 | 188 | 40 | LDX-010 |
| LDBAAV50 | 50 | 75 | 100 | 430 | 87 | 95 | 188 | 40 | LDX-016 |
| LDBAAV65 | 65 | 80 | 120 | 460 | 105 | 115 | 188 | 40 | LDX-016 |
| LDBAAV80 | 80 | 100 | 131 | 520 | 115 | 125 | 268 | 40 | LDX-020 |
| LDBAAV100 | 100 | 115 | 158 | 530 | 125 | 125 | 268 | 40 | LDX-040 |
| LDBAAV125 | 125 | 130 | 180 | 570 | 140 | 155 | 268 | 40 | LDX-060 |
| LDBAAV150 | 150 | 160 | 216 | 600 | 153 | 165 | 268 | 40 | LDX-100 |
| LDBAAV200 | 200 | 200 | 268 | 680 | 200 | 195 | 268 | 40 | LDX-160 |
| LDBAAV250 | 250 | 240 | 325 | 730 | 225 | 225 | 268 | 40 | LDX-200 |
本产品配用LDE系列执行机构,无需另配伺服放大器,输入(4~20mA或1~5VDC)信号及单相电源即可控制运转、实现对压力、流量、温度、液位等参数的调节。阀芯上开有V型切口,与硬密封阀相对转动产生剪切力,可将纤维切断,防止卡死。它具有流通能力,调节精度高,可调比大,密封性好,重量轻等特点。适用于除小口径、角型、三通连接外的大部分场合,是替代进口产品的最佳产品,特别适用与泥浆和含有纤维性介质,以及含有微小固体悬浮物介质的调节。广泛应用于造纸业、制糖、石油化工、冶金等工业自动控制系统中。
1、引进德国技术设计结构简单、重量轻、材料成本低,比同样流通能力的直行程调节阀更经济。
2、不带任何管接头的整体式阀体,因此不受管道或螺栓应力影响,并且由于阀体无任何管接头,故耐压壳体不会受压力突变的影响
3、防漏而用的阀座在其外径处衬有不锈钢内芯PTFE杯型或O型密封圈,阀座用截面较大的钨钴硬质合金制成,通过一个合金制成,通过一个合金的波纹弹簧进一步增强了阀座的结构。
4、具有一个V型阀体,即使在小流量或是粘度高介质的情况下,也可在整个量程范围内保证控制的精确性
5、当阀门关闭时,V型缺口与阀座之间产生楔形剪切作用,即具有自洁功能可防止球芯卡死,特别适用与管线结后冻结、含纤维质的流体、浆料类流体、高粘度流体含聚合物、颗粒物,结晶体等流体控制场合。