联系热线




| 阀体说明 | 技术参数 | |
| 公称通径 15-500mm | 电压电压 AC220V、AC380V(其它特制 | |
| 公称压力 PN10 PN16 PN25 PN40 PN64 PN100 | 环境温度 -30℃~+70℃ | |
| 连接方式 法兰连接 | 防护等级 IP67 | |
| 阀体材质 WCB SS304 SS316 SS316L | ||
| 碟板材质 WCB SS304 SS316 SS316L | 功能选项 | |
| 密封材料 PTFE PTL PPL FH 硬质合金 哈氏合金 | 防 爆 型 防爆等级:dIIBT5 | |
| 工作温度 | C3:-30℃~150℃ | 信号反馈 X1机械无源信号,X2有源信号 |
| C5:-30℃~220℃ | 手动功能 手动功能 电动执行器带有手动开阀、关阀功能 | |
| C6:-30℃~250℃ | 开关型 通电开到位,通电关到位。 | |
| C8:-40℃~400℃ | 调节型 调节型输入4~20mA、1~5V、0~10V信号,实现球阀调节功能 | |
| C9:-40℃~450℃ | 适用介质 强酸、强碱、气体或液体 | |
| 标准规范 | 备注 电动参数请另参考选配的电动执行器资料 | |
| 法兰标准 GB9113.1 | ||
| 检测与试验 GB/T13927-1992 | 设计标准 GB/T12237-1989 | |

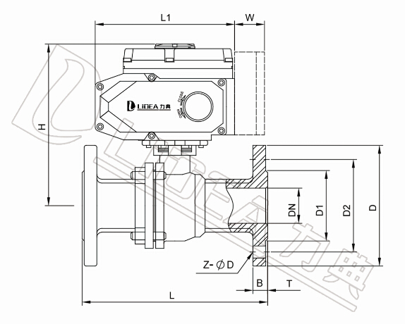
| GB阀体尺寸(mm)配LDE电动执行器 | |||||||||
| 规格型号 | DN | L | D | D1 | D2 | H | B | Z-ФD | E-电动头 |
| LDBAA15 | 15 | 130 | 95 | 45 | 65 | 286 | 14 | 4-Ф14 | LDE-010 |
| LDBAA20 | 20 | 140 | 105 | 55 | 75 | 286 | 14 | 4-Ф14 | LDE-010 |
| LDBAA25 | 25 | 150 | 115 | 65 | 85 | 292 | 14 | 4-Ф14 | LDE-010 |
| LDBAA32 | 32 | 165 | 135 | 78 | 100 | 298 | 16 | 4-Ф18 | LDE-010 |
| LDBAA40 | 40 | 180 | 145 | 85 | 110 | 308 | 16 | 4-Ф18 | LDE-010 |
| LDBAA50 | 50 | 200 | 160 | 100 | 125 | 313 | 16 | 4-Ф18 | LDE-010 |
| LDBAA65 | 65 | 200 | 180 | 120 | 145 | 328 | 18 | 4-Ф18 | LDE-015 |
| LDBAA80 | 80 | 250 | 195 | 135 | 160 | 380 | 20 | 8-Ф18 | LDE-020 |
| LDBAA100 | 100 | 280 | 215 | 155 | 180 | 387 | 20 | 8-Ф18 | LDE-030 |
| LDBAA125 | 125 | 320 | 245 | 185 | 210 | 426 | 22 | 8-Ф18 | LDE-040 |
| LDBAA150 | 150 | 360 | 280 | 210 | 240 | 458 | 24 | 8-Ф23 | LDE-080 |
| LDBAA200 | 200 | 400 | 335 | 265 | 295 | 698 | 26 | 12-Ф23 | LDE-120 |
| LDBAA250 | 250 | 533 | 405 | 320 | 335 | 780 | 30 | 12-Ф25 | LDE-200 |
| GB阀体尺寸(mm)配LDX电动执行器 | |||||||||
| 规格型号 | DN | L | D | D1 | D2 | H | B | Z-ФD | E-电动头 |
| LDBAA15 | 15 | 130 | 95 | 45 | 65 | 176 | 14 | 4-Ф14 | LDX-005 |
| LDBAA20 | 20 | 140 | 105 | 55 | 75 | 180 | 14 | 4-Ф14 | LDX-005 |
| LDBAA25 | 25 | 150 | 115 | 65 | 85 | 182 | 14 | 4-Ф14 | LDX-005 |
| LDBAA32 | 32 | 165 | 135 | 78 | 100 | 188 | 16 | 4-Ф18 | LDX-010 |
| LDBAA40 | 40 | 180 | 145 | 85 | 110 | 198 | 16 | 4-Ф18 | LDX-010 |
| LDBAA50 | 50 | 200 | 160 | 100 | 125 | 203 | 16 | 4-Ф18 | LDX-016 |
| LDBAA65 | 65 | 200 | 180 | 120 | 145 | 222 | 18 | 4-Ф18 | LDX-016 |
| LDBAA80 | 80 | 250 | 195 | 135 | 160 | 237 | 20 | 8-Ф18 | LDX-020 |
| LDBAA100 | 100 | 280 | 215 | 155 | 180 | 281 | 20 | 8-Ф18 | LDX-040 |
| LDBAA125 | 125 | 320 | 245 | 185 | 210 | 300 | 22 | 8-Ф18 | LDX-060 |
| LDBAA150 | 150 | 360 | 280 | 210 | 240 | 300 | 24 | 8-Ф23 | LDX-100 |
| LDBAA200 | 200 | 400 | 335 | 265 | 295 | 368 | 26 | 12-Ф23 | LDX-100 |
| LDBAA250 | 250 | 533 | 405 | 320 | 335 | 418 | 30 | 12-Ф25 | LDX-200 |
本产品是一种转角90°的旋转类球阀,密封性能优良,流通能力大,流阻系数小,结构简单、维修方便、使用寿命长,阀体通道和连接管径相等并成一直径,介 质几乎可以毫无损失的流过,配合JL、JLQ等高性能执行机构,产品通常用于密封要求严格的场合,除控制气体、液体、蒸汽介质外,还适宜控制污水和含有纤维性杂质的介质,广泛用于石油、化工、冶金、轻工、 造纸 、电钻、制冷等工作领域。
1、流体阻力小,球阀是所有阀类中流体阻力最小的一 种,即使是缩径球阀,其流体阻力也相当小。
2、止推轴承减少阀杆摩擦力矩,可使用阀杆长期操作平衡灵活。
3、阀座密封性能好,采用聚四氟乙烯等材料支撑的密封圈,结构易于密封,而且球阀的密封能力随着介质的增大而增大。
4、阀座密封可靠,由于阀杆只作旋转运动而不做升降运动,阀杆的填料密封不易破坏,且密封能力随着介质的压力增大而增大。
5、由于聚四氟乙烯等材料具有良好的自润滑性,与球体的摩擦损失小,延长球阀的使用寿命。
个通道,使另外两个通道,灵活控制管路是介质的合流或分流(如流向图B)。
6、下装式阀杆和阀杆头部凸阶防止阀杆喷出,如火灾造成阀杆密封破坏,凸阶与阀体间还可形成金属接触,确保阀杆密封。